EasyManua.ls Logo

Frontier ST1332 - Page 55

Frontier ST1332
60 pages
Print Icon
To Next Page IconTo Next Page
To Next Page IconTo Next Page
To Previous Page IconTo Previous Page
To Previous Page IconTo Previous Page
Loading...
FRONTIER MODEL ST1332 FACTORY MODEL 632130x16D
55
MTF051059L
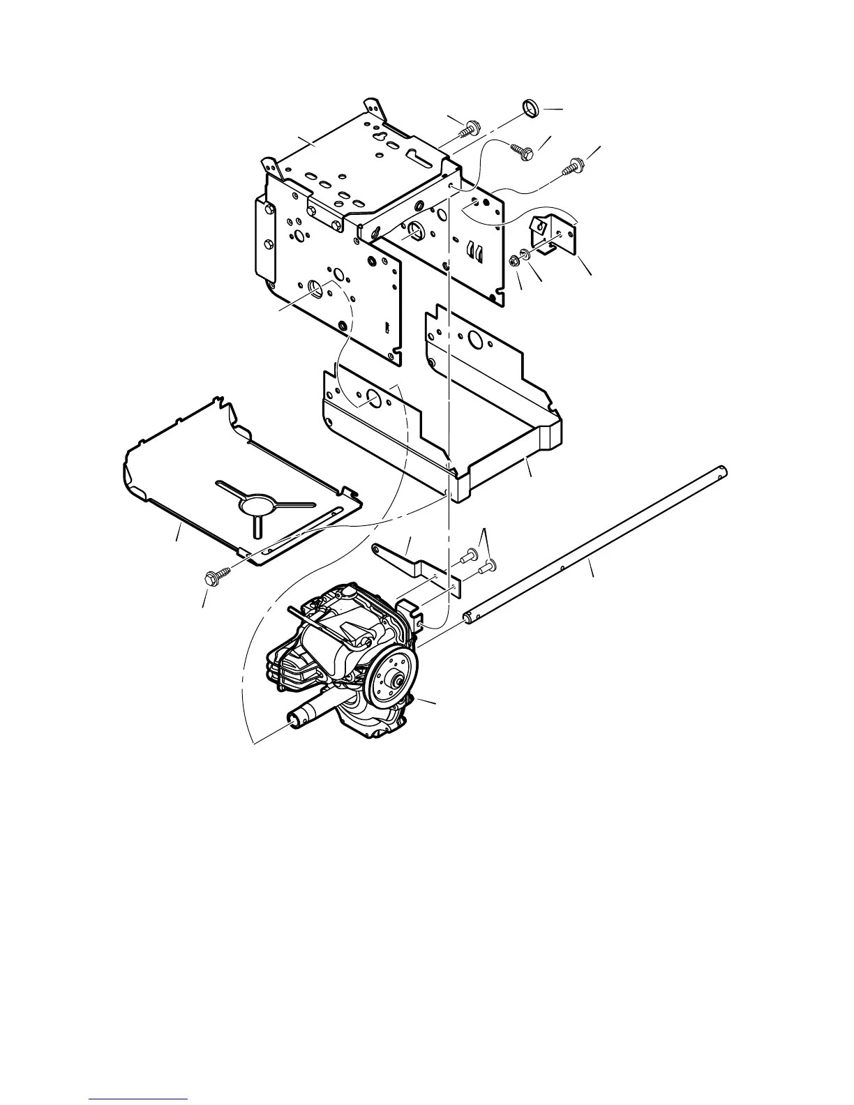
HYDRO DRIVE
Ref. Engine
Page
91
91
229
225
226
227
256
213
215
650
212
91
90
200
Key No. Part No. Description
90 MT1501311E701 COVER, BOTTOM
91 MT310169 SCREW, 1/420 X 0.62
256 MT1501334E511 FRAME, EXTENSION HYDRO
200 MT1501496 PLUG, HEYCO
212 MT1501353 * TRANSMISSION, HYDRO (3140410) *
213 MT021x11 RIVET, BLIND
215 MT1501366 ARM, CONTROL EXTENSION
225 MT1501361 BRACKET, DRIVE CABLE
226 MT71063 WASHER
227 MT71045 NUT, HEX JAM 3/816
229 MT025x19 SCREW
650 MT1501566 AXLE, WHEEL
* For service on the HYDROGEAR Transmission
CONTACT: Your local HYDROGEAR Authorized service dealer.

Table of Contents

Related product manuals