EasyManua.ls Logo

Frymaster Dean FPHD - Wiring Diagrams

Frymaster Dean FPHD
76 pages
Print Icon
To Next Page IconTo Next Page
To Next Page IconTo Next Page
To Previous Page IconTo Previous Page
To Previous Page IconTo Previous Page
Loading...
HIGH EFFICIENCY DECATHLON SERIES GAS FRYERS
CHAPTER 1: SERVICE PROCEDURES
1-38
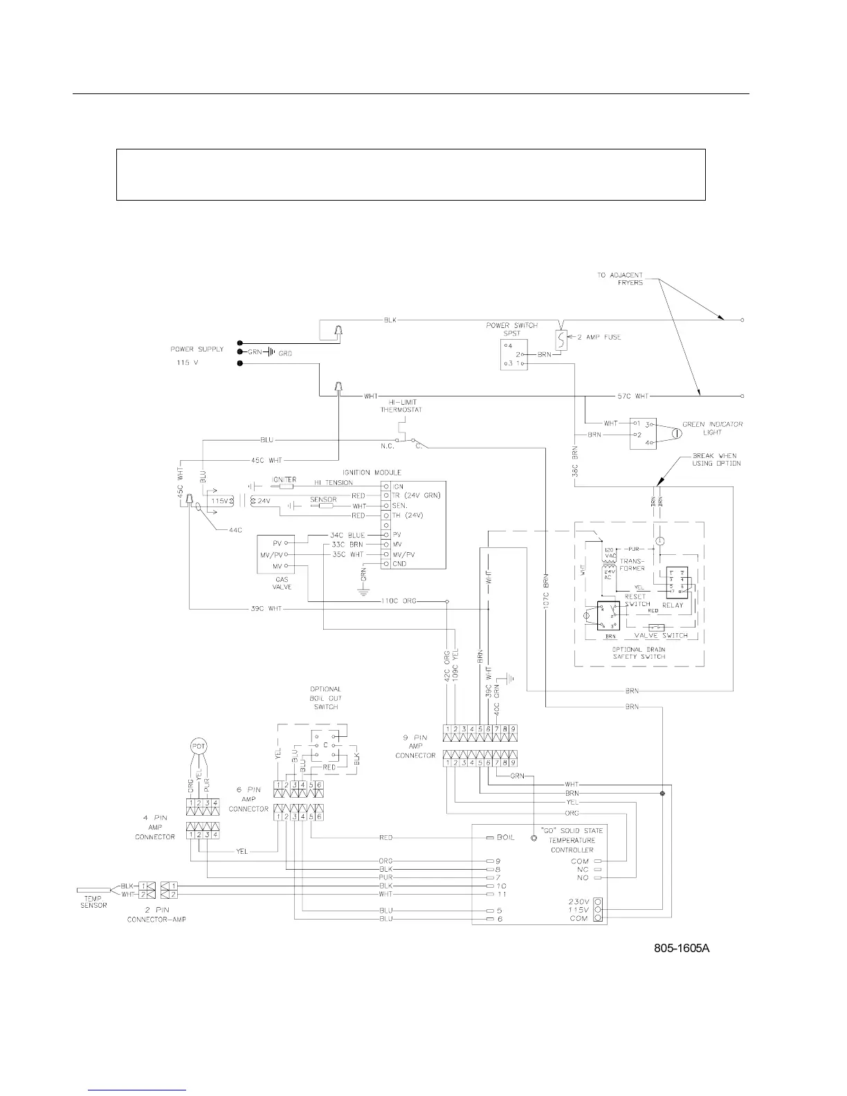
1.10 Wiring Diagrams
Note: The diagrams in this section depict wiring as of the date of manual publication.
It may not reflect design changes made to the equipment after publication. Refer to
the wiring diagram affixed to the unit when actually troubleshooting this equipment.
High Efficiency Decathlon, Thermatron with Constant Pilot
(Right/left sides are the same.)

Related product manuals