EasyManua.ls Logo

Frymaster Dean FPHD - Page 45

Frymaster Dean FPHD
76 pages
Print Icon
To Next Page IconTo Next Page
To Next Page IconTo Next Page
To Previous Page IconTo Previous Page
To Previous Page IconTo Previous Page
Loading...
HIGH EFFICIENCY DECATHLON SERIES GAS FRYERS
CHAPTER 1: SERVICE PROCEDURES
1-40
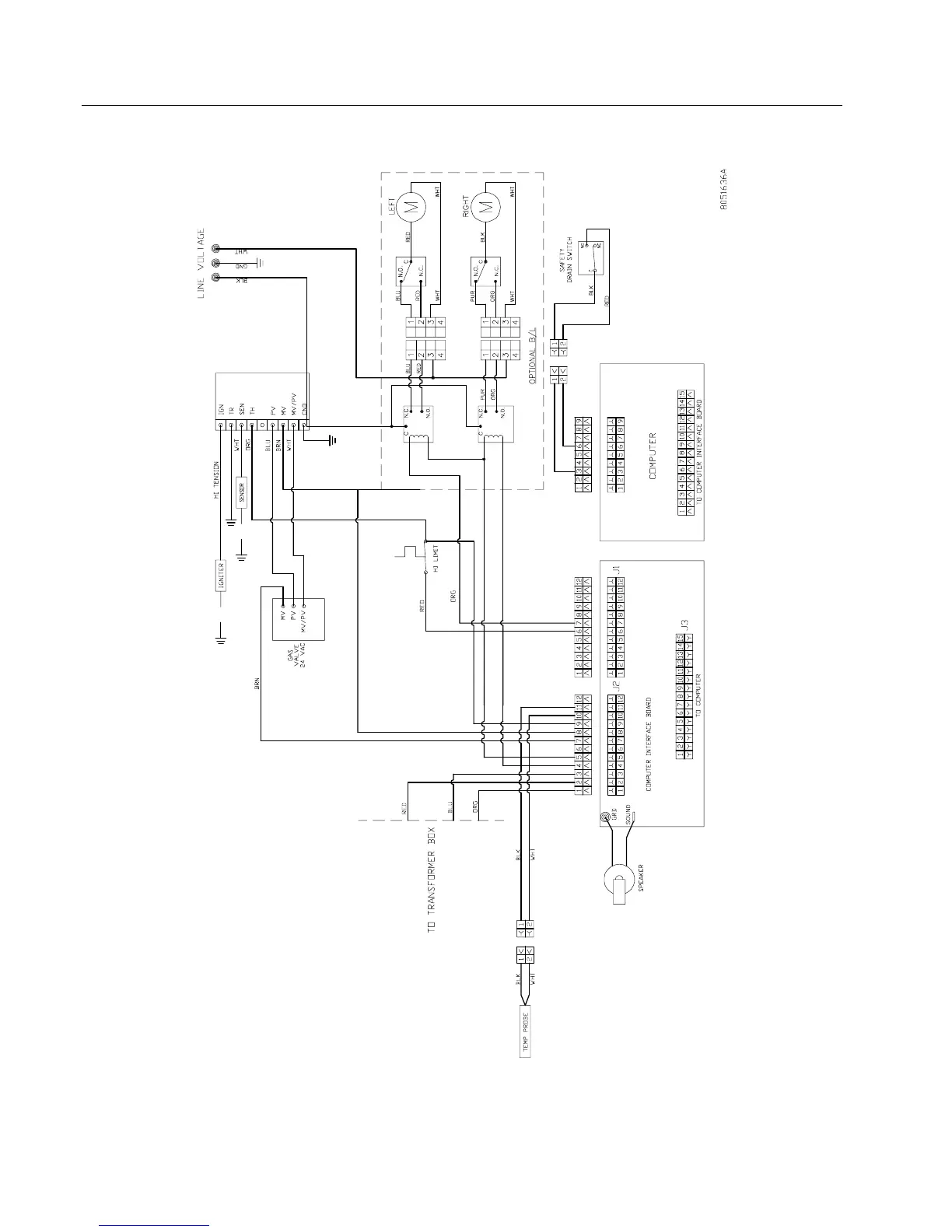
CM4-S Wiring

Related product manuals