EasyManua.ls Logo

Frymaster OCF30ATOG - Modular Basket Lift (208;250 V)

Frymaster OCF30ATOG
102 pages
Print Icon
To Next Page IconTo Next Page
To Next Page IconTo Next Page
To Previous Page IconTo Previous Page
To Previous Page IconTo Previous Page
Loading...
1-47
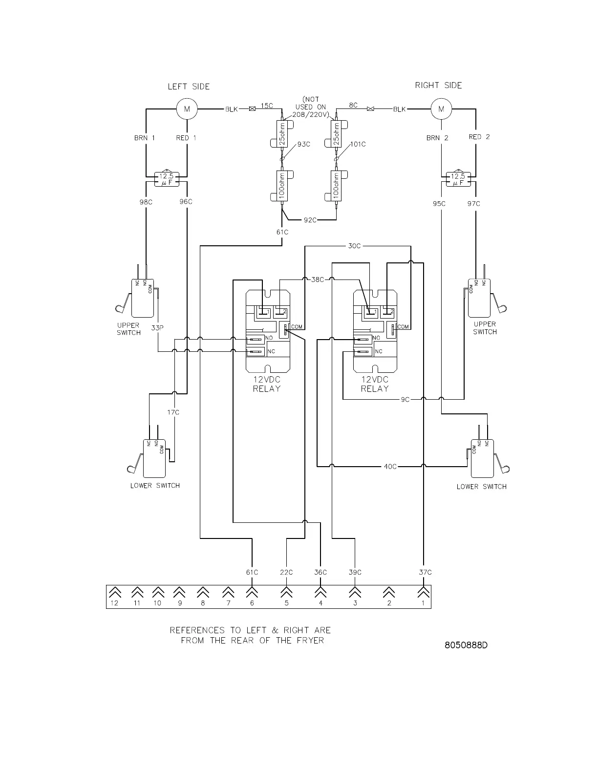
1.17.5 Modular Basket Lift (208/250V)

Table of Contents

Related product manuals