EasyManua.ls Logo

Frymaster OCF30ATOG - Wiring; Main Wiring Harnesses

Frymaster OCF30ATOG
102 pages
Print Icon
To Next Page IconTo Next Page
To Next Page IconTo Next Page
To Previous Page IconTo Previous Page
To Previous Page IconTo Previous Page
Loading...
2-12
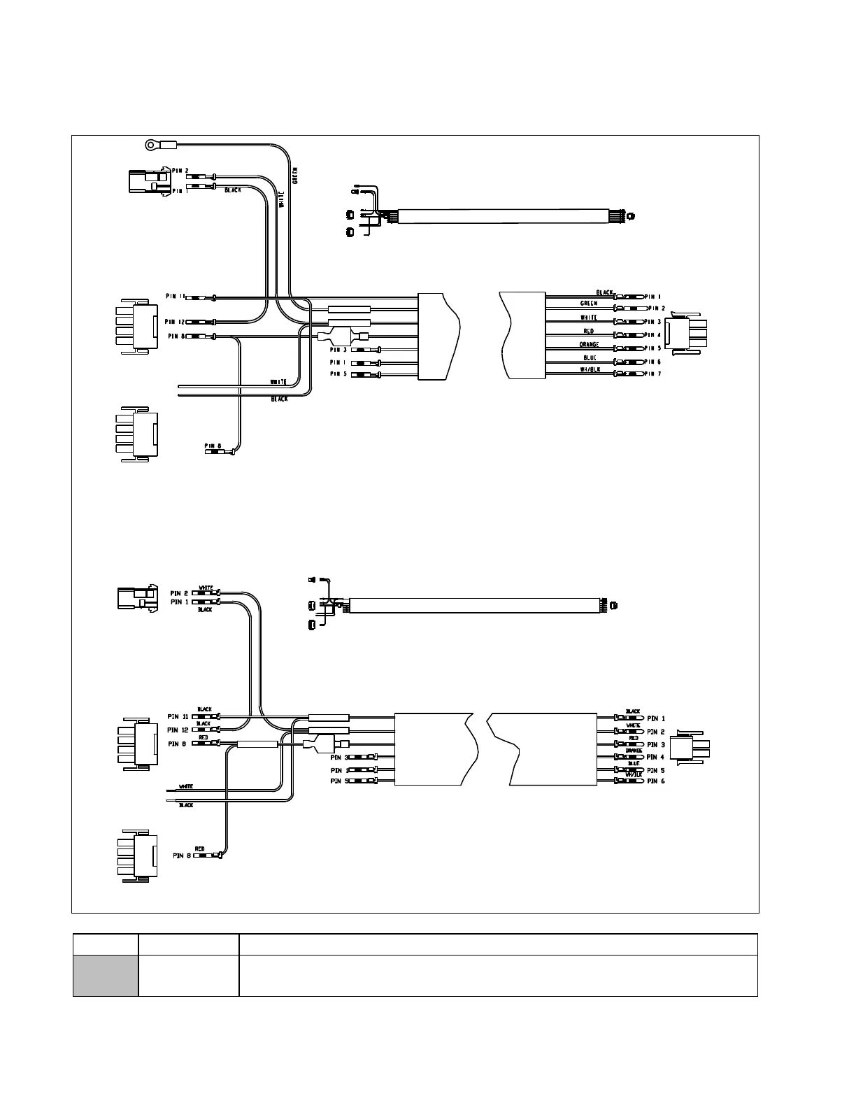
2.6 Wiring
2.6.1 Main Wiring Harnesses
2-PIN FEMALE
CONNECTOR
12-PIN MALE
CONNECTOR
12-PIN MALE
CONNECTOR
9-PIN MALE
CONNECTOR
6-PIN MALE
CONNECTOR
12-PIN MALE
CONNECTOR
12-PIN MALE
CONNECTOR
2-PIN FEMALE
CONNECTOR
807-1978
807-4014
ITEM PART # COMPONENT
807-1978 Main Wiring Harness 250/450
807-4014 Main Wiring Harness 350

Table of Contents

Related product manuals