EasyManua.ls Logo

Frymaster OCF30ATOG - FPGL30 Series Simplified Wiring

Frymaster OCF30ATOG
102 pages
Print Icon
To Next Page IconTo Next Page
To Next Page IconTo Next Page
To Previous Page IconTo Previous Page
To Previous Page IconTo Previous Page
Loading...
1-52
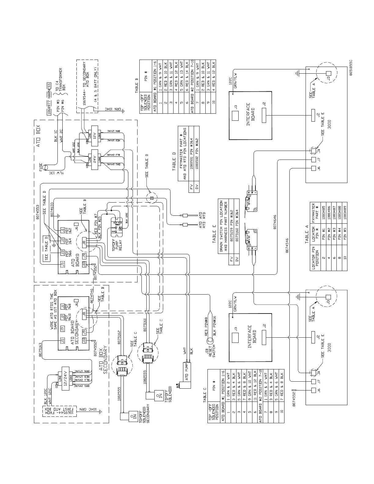
1.18.4 FPGL30 Series Simplified Wiring with 3000 Controller

Table of Contents

Related product manuals