EasyManua.ls Logo

Frymaster OCF30ATOG - Shortening Melting Unit Wiring Diagram after to Mar 2012

Frymaster OCF30ATOG
102 pages
Print Icon
To Next Page IconTo Next Page
To Next Page IconTo Next Page
To Previous Page IconTo Previous Page
To Previous Page IconTo Previous Page
Loading...
1-55
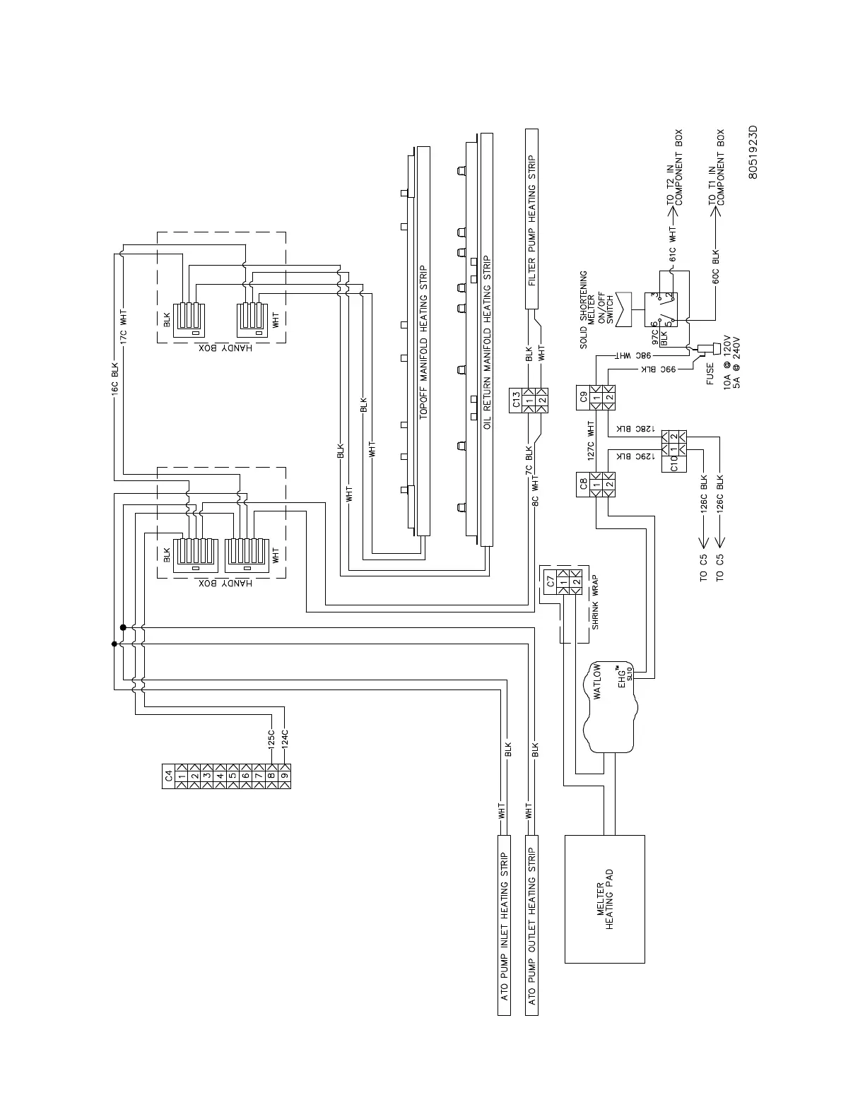
1.18.6.2 Shortening Melting Unit Wiring Diagram after Mar 2012

Table of Contents

Related product manuals