EasyManua.ls Logo

Frymaster OCF30ATOG - Page 56

Frymaster OCF30ATOG
102 pages
Print Icon
To Next Page IconTo Next Page
To Next Page IconTo Next Page
To Previous Page IconTo Previous Page
To Previous Page IconTo Previous Page
Loading...
1-50
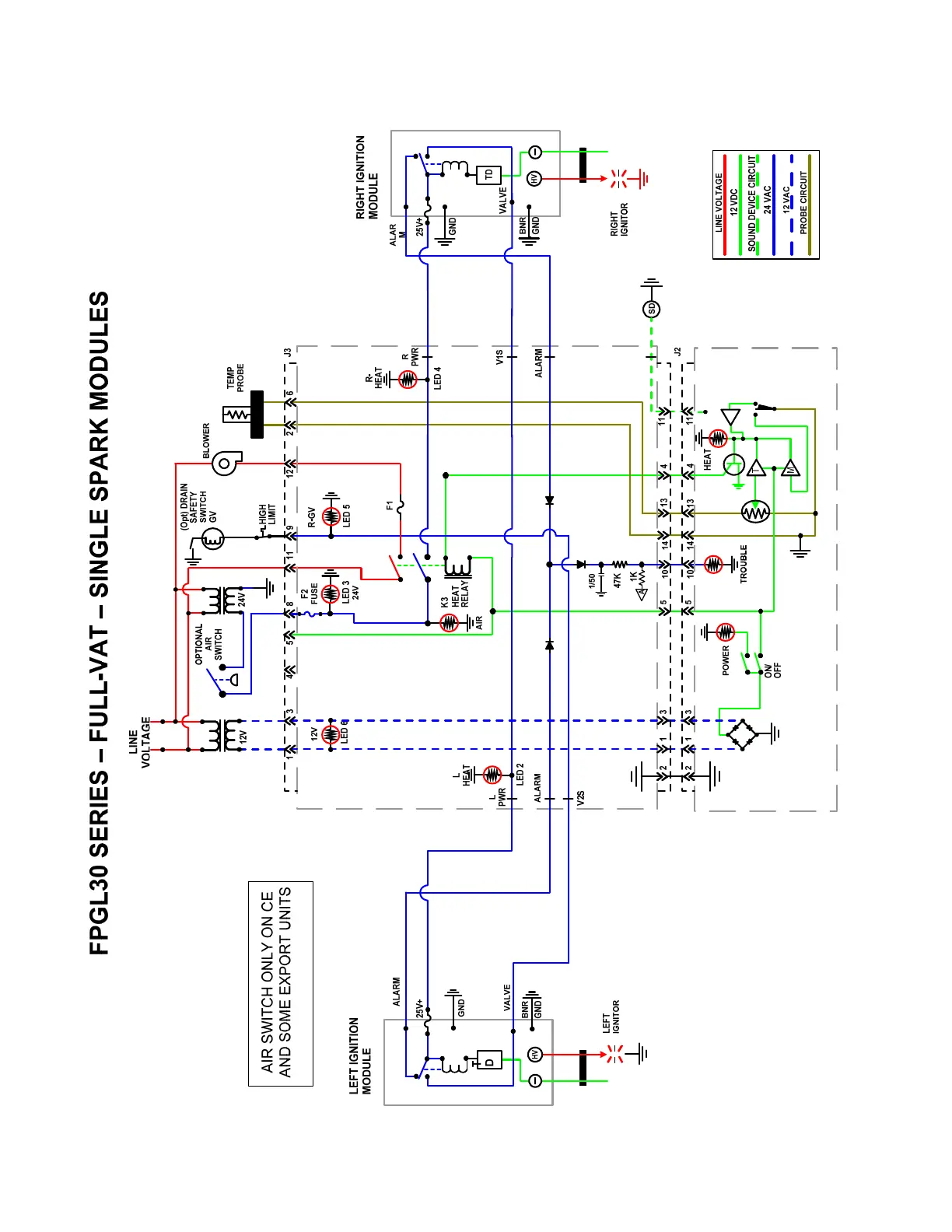
1.18.2 FPGL30 Series Full Vat Single Spark Module excluding Australia

Table of Contents

Related product manuals