EasyManua.ls Logo

FUTABA FX-36 - Page 42

FUTABA FX-36
183 pages
Print Icon
To Next Page IconTo Next Page
To Next Page IconTo Next Page
To Previous Page IconTo Previous Page
To Previous Page IconTo Previous Page
Loading...
42
BasicOperation
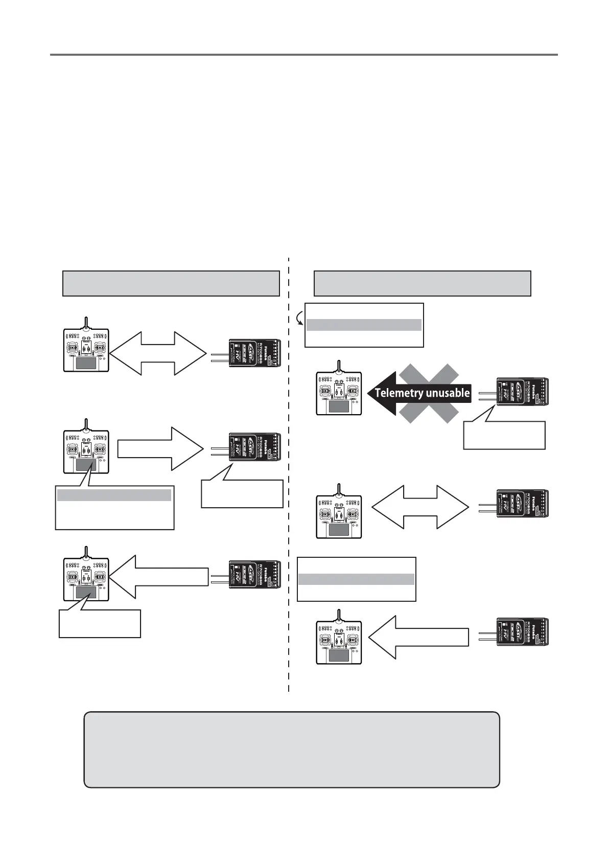
ŬƉŃƗƋƈŃƕƈƆƈƌƙƈƕŊƖŃƙƒƏƗƄƊƈŃƇƒƈƖŃƑƒƗŃƇƌƖƓƏƄƜŃƒƑŃƗƋƈŃƗƕƄƑƖƐƌƗƗƈƕŃŃŃŃŃŃŃŃŃŃŃŃŃŃŃŃŃŃŃŃŃŃŃŃŃŃŃŃŃŃŃŃŃŃŃŃŃŃŃŃŃŃŃŃŃŃ
Whenthereceiverhasthetransmitter'sIDinmemory,alinkisestablishedandnormal
operationisallowed.
Whenthetransmitterhasthereceiver'sIDinmemory,alinkisestablishedand
telemetryfunctionsareusable.
ThetransmitterstoresreceiverIDsbymodel;thus,ifitdoesnothaveaparticular
receivermodelIDstoredinmemoryorhasadifferentreceiverIDstored,telemetry
functionswillbeunusable.However,thedeviceisoperableaslongasthereceiverhas
thetransmitter'sIDstoredinmemory.
Whensettingupanewmodel,beforeusingit,first
establishalinkwiththereceiverthatwillbeused
withit.
Link
Operable
TxID:xxxxxx2
stored
Telemetryusable
Telemetryusable
ReceiverID:xxxxxx1
storedforModel1
Linkofmodel1
TransmitterswitchedtoModel2and
linkreestablished
BecausereceiverIDswillbestored
inthememoryofeachtransmitter
model,itisunnecessaryto
reestablishalinkoncethereceiver
IDhasbeenstoredinmemoryfor
agivenmodel.
Deviceisoperableifreceiver
hastransmitter'sIDstoredin
memory
Telemetryfunctionsunusablebecause
Model2doesnothavereceiver'sID
storedinmemory.
TxID:xxxxxx2
stored
RxID:xxxxxx1TxID:xxxxxx2
Link
RxID:xxxxxx1
RxID:xxxxxx1
Model1:ReceiverID:xxxxxx1
Model2:ReceiverID:---------
Model3:ReceiverID:---------
Model1:ReceiverID:xxxxxx1
Model2:ReceiverID:---------
Model3:ReceiverID:---------
Model1:ReceiverID:xxxxxx1
Model2:ReceiverID:xxxxxx1
Model3:ReceiverID:---------
Model1→ Model2

Other manuals for FUTABA FX-36

Related product manuals