EasyManua.ls Logo

Gardner Bender B2000 Cyclone - Handle; Control Circuit

Default Icon
23 pages
Print Icon
To Next Page IconTo Next Page
To Next Page IconTo Next Page
To Previous Page IconTo Previous Page
To Previous Page IconTo Previous Page
Loading...
18
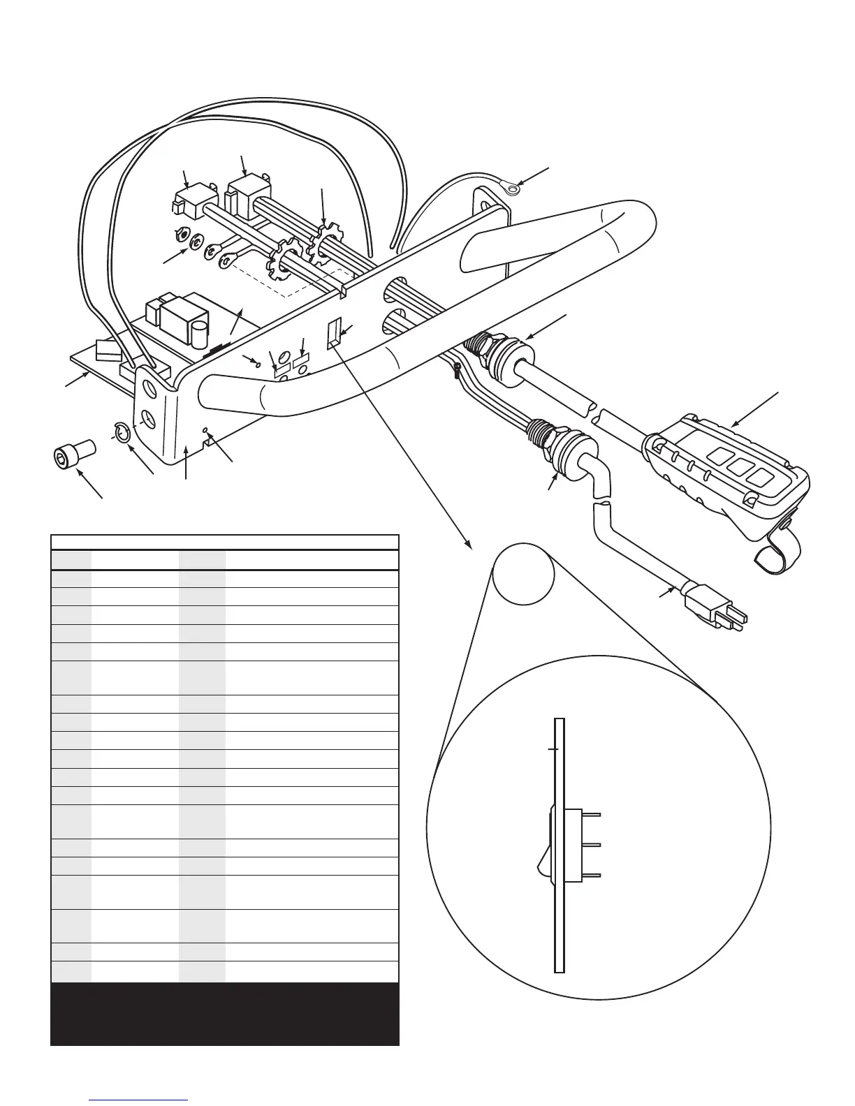
Figure 7
Handle and Control Circuit Assembly – HC12
15
5
2
6
13
9
10
12
15
6
14
16
11
3, 4
7, 8
1
18
17
19
Handle
Faceplate
White Wire
Note: Numbers molded
onto switch by the terminal
verify these before
attaching wires
Black Wire
to Circuit Board
Black Wire from
Power Plug
1
2
3
Wiring Diagram
for BMK3 Switch
HC12 Contents
Item # Part # # Req’d Description
1 CJ458885 1 Locknut
2 CM178647SR 1 Plug Assembly
3 CM32006 1 Receptacle, Power Cord
4 CM25061 2 Pin, Cord Receptacle
5 PO5C 1 Pendant Station Assm
6 Common Repl. 3 #6 -32 X
3
8" LG. Button Hd.
Part Cap Screw
7 DA6152006 1 Receptacle, Pendant
8 CM27061 8 Pin, Receptacle
9 LK15 1 Decal, Kit
10 LK15 1 Decal, Kit
11 EC2006 1 Circuit Board
12 H905 1 Handle Assembly
13 Common Repl. 4
1
2" - 13 x
7
8" Alloy Plain Finish
Part Socket Head Cap Screw
14 DA7046900 1 Wire, Jumper
15 F1550 1 Grip, Cord
16 Common Repl. 1 #10 Hi-Collar Helical Spring
Part Lock Washer
17 Common Repl. 4
1
2" Plain Finish High Collar
Part Lock Washer
18 CB25 1 Switch
19 RA19 1 Braking Resistor
Item 3 is packed with item 4 loose.
Item 7 is packed with item 8 loose.
Instructions provided for assembling loose connectors.
DA 7070900 Limit Switch Jumper (not shown) (for older units)

Other manuals for Gardner Bender B2000 Cyclone

Related product manuals