EasyManua.ls Logo

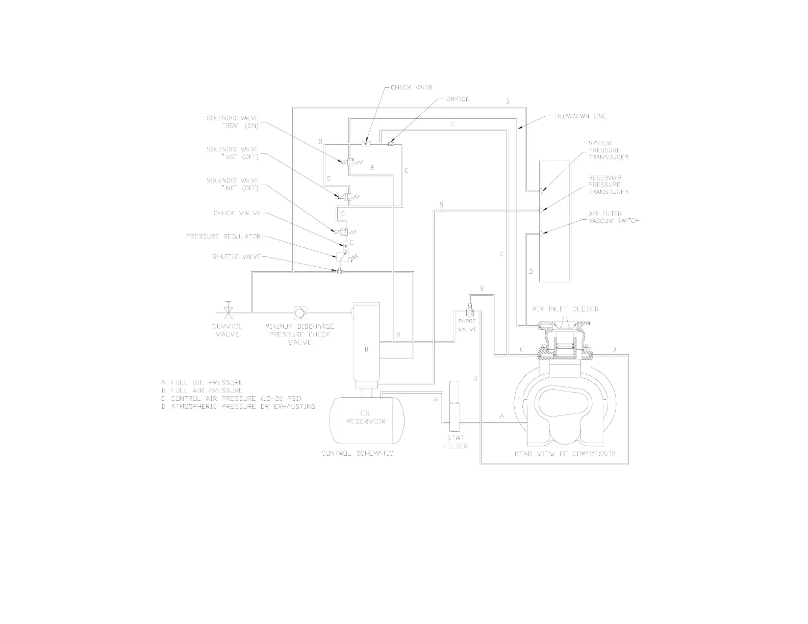
Gardner Denver AUTOSENTRY EAU99Q - Figure 4-7 - Control Schematic - Compressor Unloaded - Constant Speed Mode

Gardner Denver AUTOSENTRY EAU99Q
75 pages
Print Icon
To Next Page IconTo Next Page
To Next Page IconTo Next Page
To Previous Page IconTo Previous Page
To Previous Page IconTo Previous Page
Loading...
13-9-666 Page 35
Figure 4-7 – CONTROL SCHEMATIC – COMPRESSOR UNLOADED – CONSTANT SPEED MODE
EBQ, & EBU UNITS ONLY
209EDM797-
A
(Ref. Drawing)

Table of Contents

Related product manuals