EasyManua.ls Logo

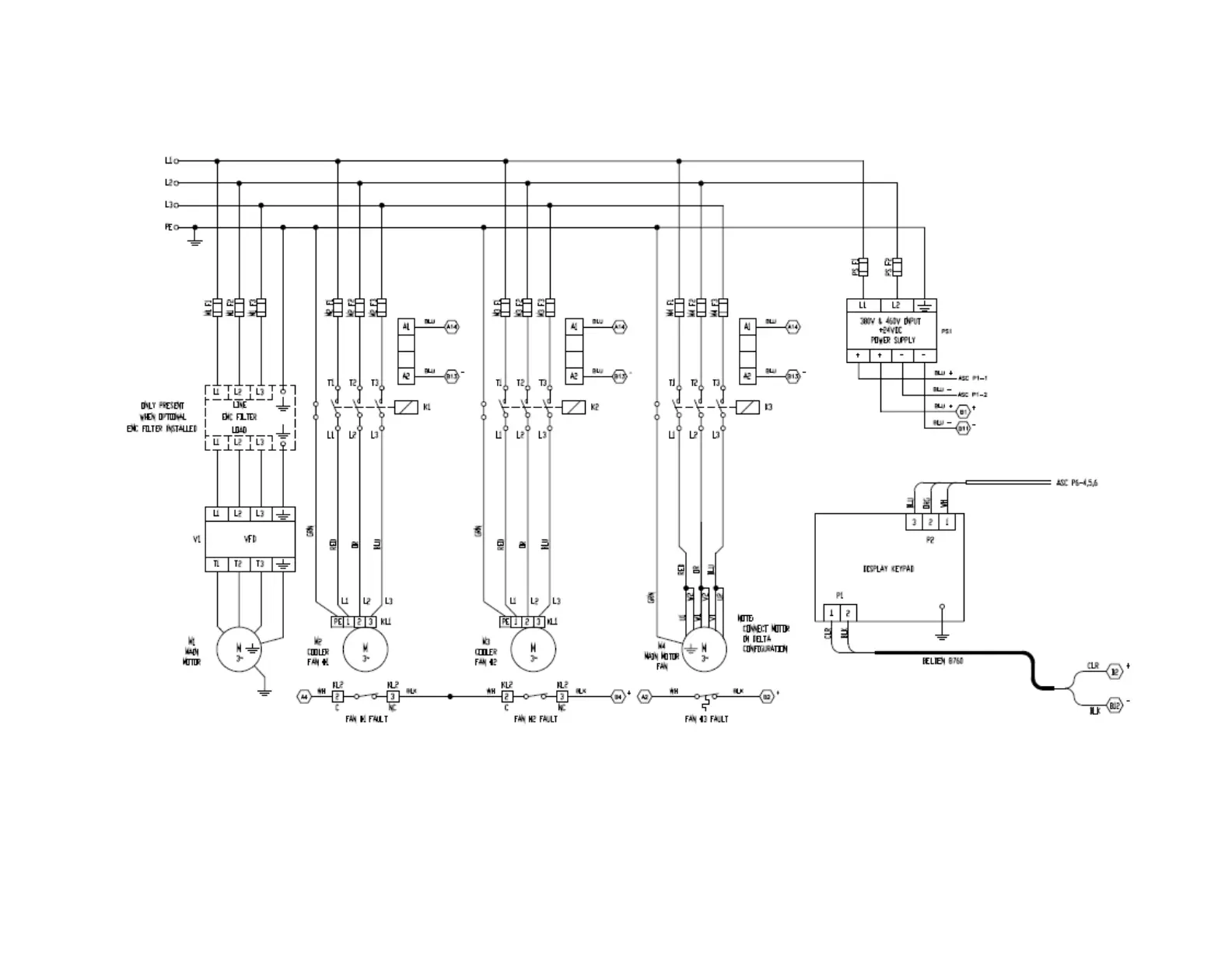
Gardner Denver VS80A - Figure 4-3 - Wiring Diagram - (Air Cooled) Single-Stage, VS80;110, 460 VAC

Gardner Denver VS80A
88 pages
Print Icon
To Next Page IconTo Next Page
To Next Page IconTo Next Page
To Previous Page IconTo Previous Page
To Previous Page IconTo Previous Page
Loading...
13-18-609 Page 31
4-6
Figure 4- 3 WIRING DIAGRAM (AIR COOLED) Single-Stage, VS80/110, 460vac
300CGE546
-
0
4
(Ref. Drawing)
Page 1 of 4

Table of Contents

Related product manuals