EasyManua.ls Logo

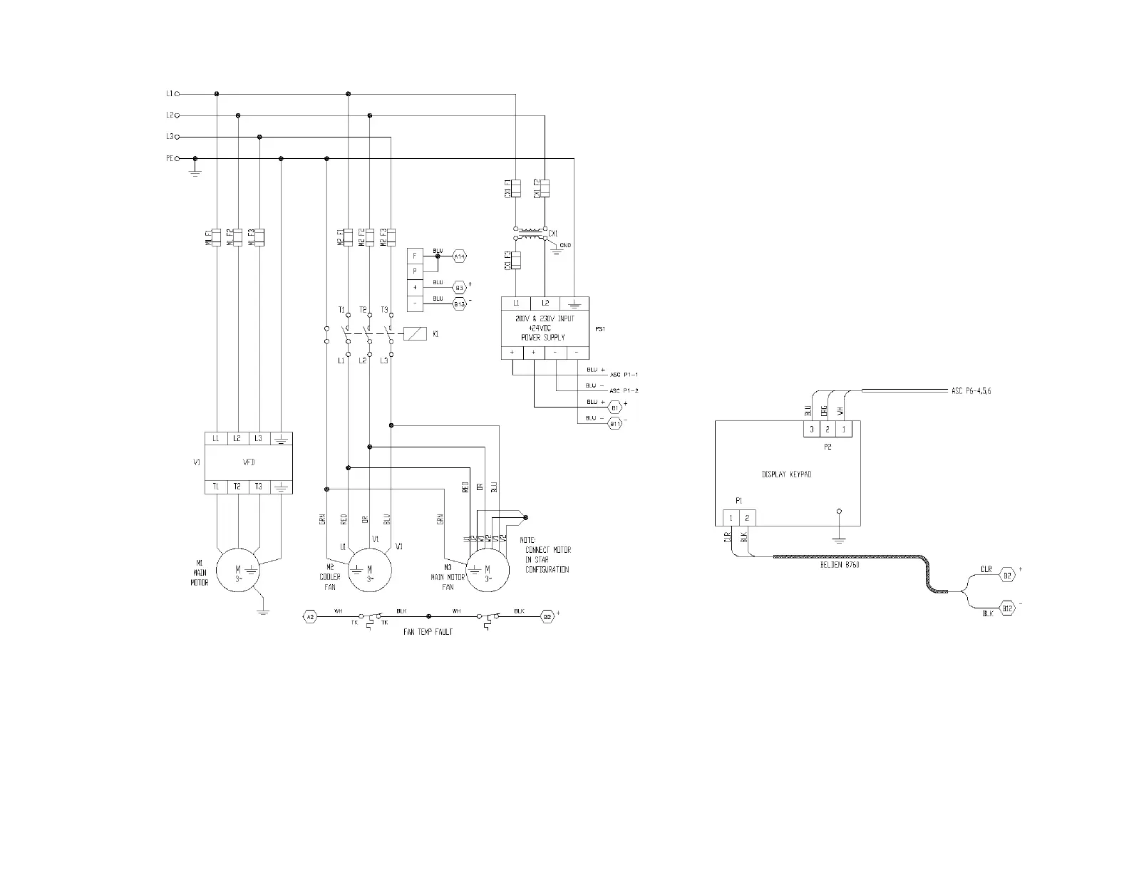
Gardner Denver VS80A - Figure 4-6 - Wiring Diagram - (Water Cooled) Single-Stage VS80;110, 575 VAC

Gardner Denver VS80A
88 pages
Print Icon
To Next Page IconTo Next Page
To Next Page IconTo Next Page
To Previous Page IconTo Previous Page
To Previous Page IconTo Previous Page
Loading...
13-18-609 Page 43
4-18
Figure 4- 6 WIRING DIAGRAM (WATER COOLED) Single-Stage VS80/110, 575Vac
303CGE546
-
B
(Ref. Drawing)
Page 1 of 4

Table of Contents

Related product manuals