EasyManua.ls Logo

Gardner Denver VS80A - Page 45

Gardner Denver VS80A
88 pages
Print Icon
To Next Page IconTo Next Page
To Next Page IconTo Next Page
To Previous Page IconTo Previous Page
To Previous Page IconTo Previous Page
Loading...
13-18-609 Page 44
4-19
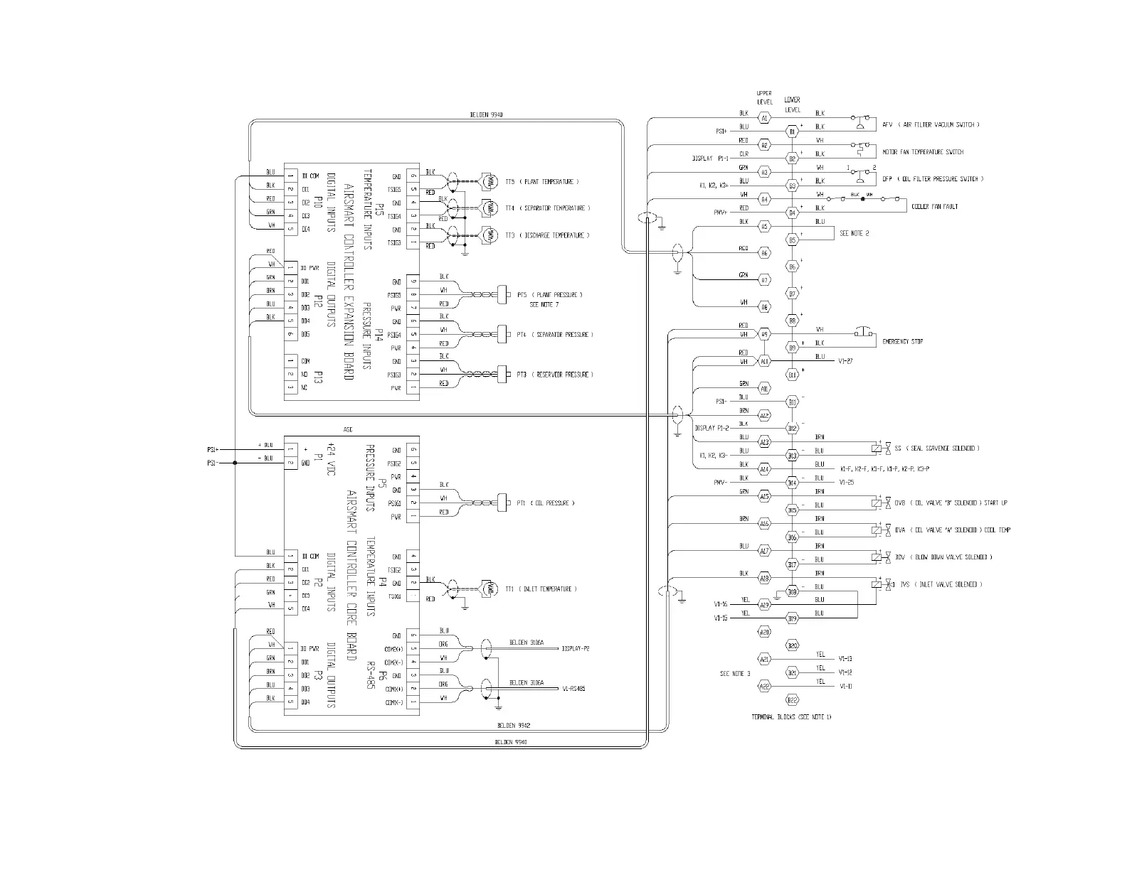
303CGE546
-
B
(Ref. Drawing)
Page 2 of 4

Table of Contents

Related product manuals