EasyManua.ls Logo

GE 040350 - Commandes

GE 040350
116 pages
Print Icon
To Next Page IconTo Next Page
To Next Page IconTo Next Page
To Previous Page IconTo Previous Page
To Previous Page IconTo Previous Page
Loading...
Not for
Reproduction
89
Lire ce manuel de l’utilisateur et les Directives de sécurité importantes avant de faire marcher votre générateur.
Comparez les illustrations avec votre générateur pour vous familiariser avec l’emplacement des diverses commandes
et réglages. Gardez ce manuel pour le consulter plus tard.
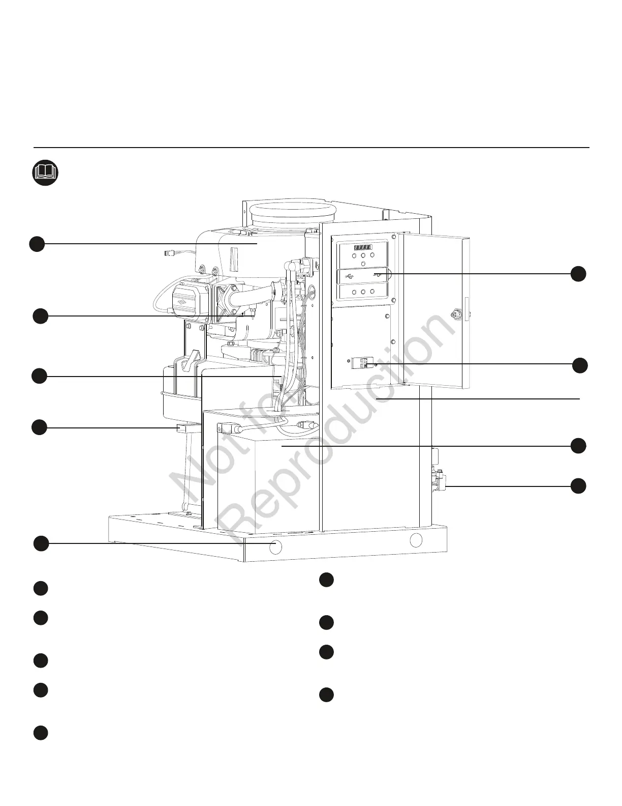
8K Génératrice*
A
- Orificios de elevación: Se incluyen en cada esquina para
elevar el generador.
B
- Silenciador: El silenciador de alto rendimiento reduce el
ruido del motor conforme a la mayoría de las normas de
uso residencial.
C
- Alternador: Equipo eléctrico que genera una corriente
alterna.
D
- Bujía: Dispositivo en la cabeza del cilindro del motor que
incendia la mezcla de combustible utilizando una chispa
eléctrica.
E
- Filtro de aire: Utiliza un elemento de filtro en seco para
proteger el motor al filtrar el polvo y los desechos del aire
de admisión.
F
- Tablero de control: Se usa para controlar el
funcionamiento del generador, arranque del menú y
funciones informativas de la pantalla.
G
- Disyuntor: Protege el sistema contra corto circuito y
otras condiciones de sobrecorriente.
H
- Batería (suministrada por el instalador): La batería
de plomo para automóviles de 12 VCC suministra
alimentación para el arranque del motor.
J
- Alimenter le Port d’Arrivée - Attache de la provision de
carburant appropriée au générateur ici.
Commandes
B
A
C
D
E
F
G
H
J

Table of Contents

Related product manuals