EasyManua.ls Logo

GE 040350 - Page 95

GE 040350
116 pages
Print Icon
To Next Page IconTo Next Page
To Next Page IconTo Next Page
To Previous Page IconTo Previous Page
To Previous Page IconTo Previous Page
Loading...
Not for
Reproduction
95
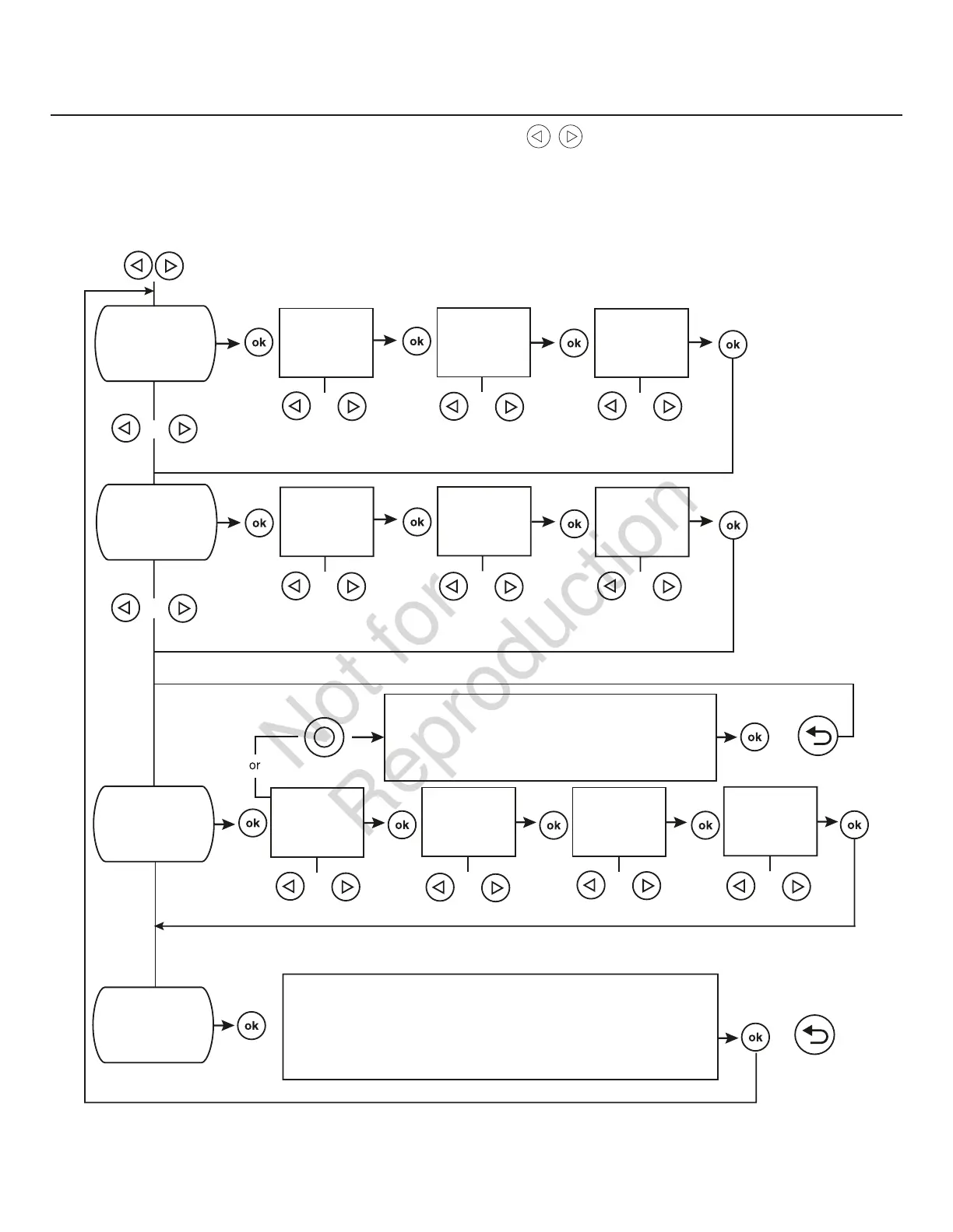
Écran de configuration générale
Pour la configuration générale, appuyez sur les flèches gauche et droite et maintenez-les enfoncées pendant 3
secondes. Suivez les invites comme indiqué ci-dessous.
REMARQUE : L'heure et la date ont été réglées en usine et stockées dans la mémoire du tableau de commande. Le cycle
Exercice à aussi été réglé à l'usine. Le cycle exercice par défaut se produit les mardis, à 14:00 Heure normal du centre. Pour
mettre à jour ou modifier ces paramètres, suivez les étapes ci-dessous :
ok
ok
RÉGLER LA DATE
Si le cycle d'exercice est réglé à arrêt (OFF),
l'affichage indiquera :
EXERCISE CYCLE OFF (arrêt du cycle d'exercice)
ou
ANNÉE
CLIGNOTEMENT
MOIS
CLIGNOTEMENT
JOUR#
CLIGNOTEMENT
RÉGLER L'HEURE
HEURES
CLIGNOTEMENT
MINUTES
CLIGNOTEMENT
AM/PM
CLIGNOTEMENT
ou ou ou
ou
ou ou ou
ou
ou
ou ou ou ou
JOUR DE LA
SEMAINE CLIGNOTE
HEURES
CLIGNOTEMENT
MINUTES
CLIGNOTEMENT
AM/PM
CLIGNOTEMENT
RÉGLER LE CYCLE
EXERCICE
JOURNAL DES
ÉVÉNEMENTS
L'affichage fera défiler le dernier événement de code de
défaillance, la date, l'heure,
et la température ambiante au moment où l'événement s'est
produit.
ou
SI DURANT LA PROGRAMMATION AUCUN BOUTON N'EST APPUYÉ PENDANT 30 SECONDES,
LE PANNEAU DE COMMANDE SORTIRA AUTOMATIQUEMENT DU MODE PROGRAMMATION.

Table of Contents

Related product manuals