EasyManua.ls Logo

GE 850 - Page 301

GE 850
664 pages
Print Icon
To Next Page IconTo Next Page
To Next Page IconTo Next Page
To Previous Page IconTo Previous Page
To Previous Page IconTo Previous Page
Loading...
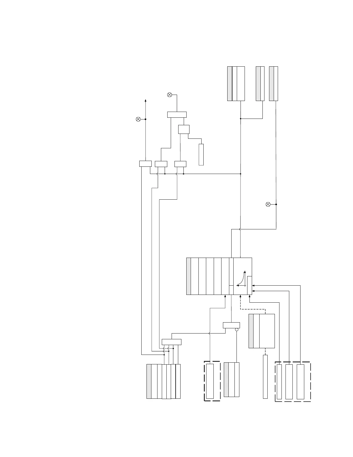
CHAPTER 6: PROTECTION SETPOINTS CURRENT ELEMENTS
850 FEEDER PROTECTION SYSTEM – INSTRUCTION MANUAL 6–33
Figure 6-11: Ground Time Overcurrent Protection logic diagram
SETPOINTS
RUN
SETPOINTS
FUNCTION:
Disabled = 0
Trip
PICKUP :
CURVE :
TDM :
Ig > PICKUP
AND
Operate Output Relay 1 (TRIP)
LED: PICKUP
LED: TRIP
Alarm
OR
OR
Adjust PKP
AND
Latched Alarm
AND
RESET:
Ground current (Ig)
From Ground CT
SETPOINTS
BLOCK :
Off = 0
From Autoreclose
(per shot settings)
From Cold Load Pickup
LED: ALARM
RESET
Command
AND
S
R
LATCH
SETPOINTS
Do Not Operate, Operate
RELAYS
SETPOINTS
INPUT:
Phasor, RMS
Configurable
Ground TOC 1 PKP
FLEXLOGIC OPERANDS
Ground TOC 1 OP
FLEXLOGIC OPERANDS
DIRECTION :
Direction ( from Ground
Directional OC element )
Set
Dominant
From Manual Close
Blocking
89$.cdr
850 Only
850, 889, 845 Only

Table of Contents

Related product manuals