EasyManua.ls Logo

GE 850 - Page 346

GE 850
664 pages
Print Icon
To Next Page IconTo Next Page
To Next Page IconTo Next Page
To Previous Page IconTo Previous Page
To Previous Page IconTo Previous Page
Loading...
6–78 850 FEEDER PROTECTION SYSTEM – INSTRUCTION MANUAL
CURRENT ELEMENTS CHAPTER 6: PROTECTION SETPOINTS
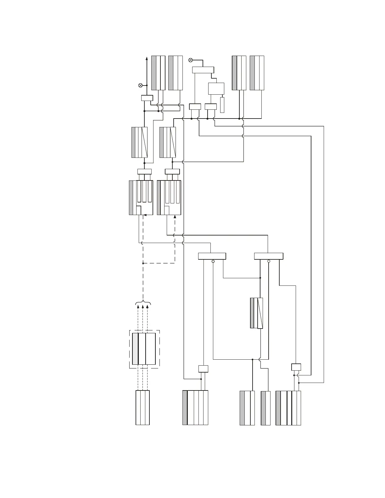
Figure 6-31: Undercurrent logic diagram
Phase Currents
Phase A Current (Ia)
Phase B Current (Ib)
Phase C Current (Ic)
SETPOINT
Configurable
Trip Function
Disabled
Trip
BKR 1 Closed
FLEXLOGIC OPERAND
SETPOINT
Block
Off=0
AND
Start Block Delay
SETPOINT
t
BLK
0
SETPOINT
Latched Alarm
Alarm Function
Disabled
Alarm
OR
AND
RUN
Trip Pickup
SETPOINT
Trip Pickup Delay
SETPOINTS
Trip Dropout Delay
t
PKP
t
RST
Alarm Pickup Delay
SETPOINTS
Alarm Dropout Delay
t
PKP
t
RST
AND
Operate Output
Relay 1(TRIP)
LED: TRIP
LED: Alarm
AND AND
OR
LATCH
S
R
RESET
Command
Undercur Trip PKP
FLEXLOGIC OPERANDS
Undercur Trip OP
Undercur Alarm PKP
FLEXLOGIC OPERANDS
Undercur Alarm OP
SETPOINT
Trip Output Relay X
Do Not Operate, Operate
SETPOINT
Alarm Output Relay X
Do Not Operate, Operate
OR
I
c
< Trip Pickup
I
b
< Trip Pickup
I
a
< Trip Pickup
OR
RUN
Alarm Pickup
SETPOINT
I
c
< Alarm Pickup
I
b
< Alarm Pickup
I
a
< Alarm Pickup
OR
SETPOINTS
SIGNAL INPUT:
CT Bank 1 - J1
850 Only
894205A1.cdr

Table of Contents

Related product manuals