EasyManua.ls Logo

GE 850 - Page 442

GE 850
664 pages
Print Icon
To Next Page IconTo Next Page
To Next Page IconTo Next Page
To Previous Page IconTo Previous Page
To Previous Page IconTo Previous Page
Loading...
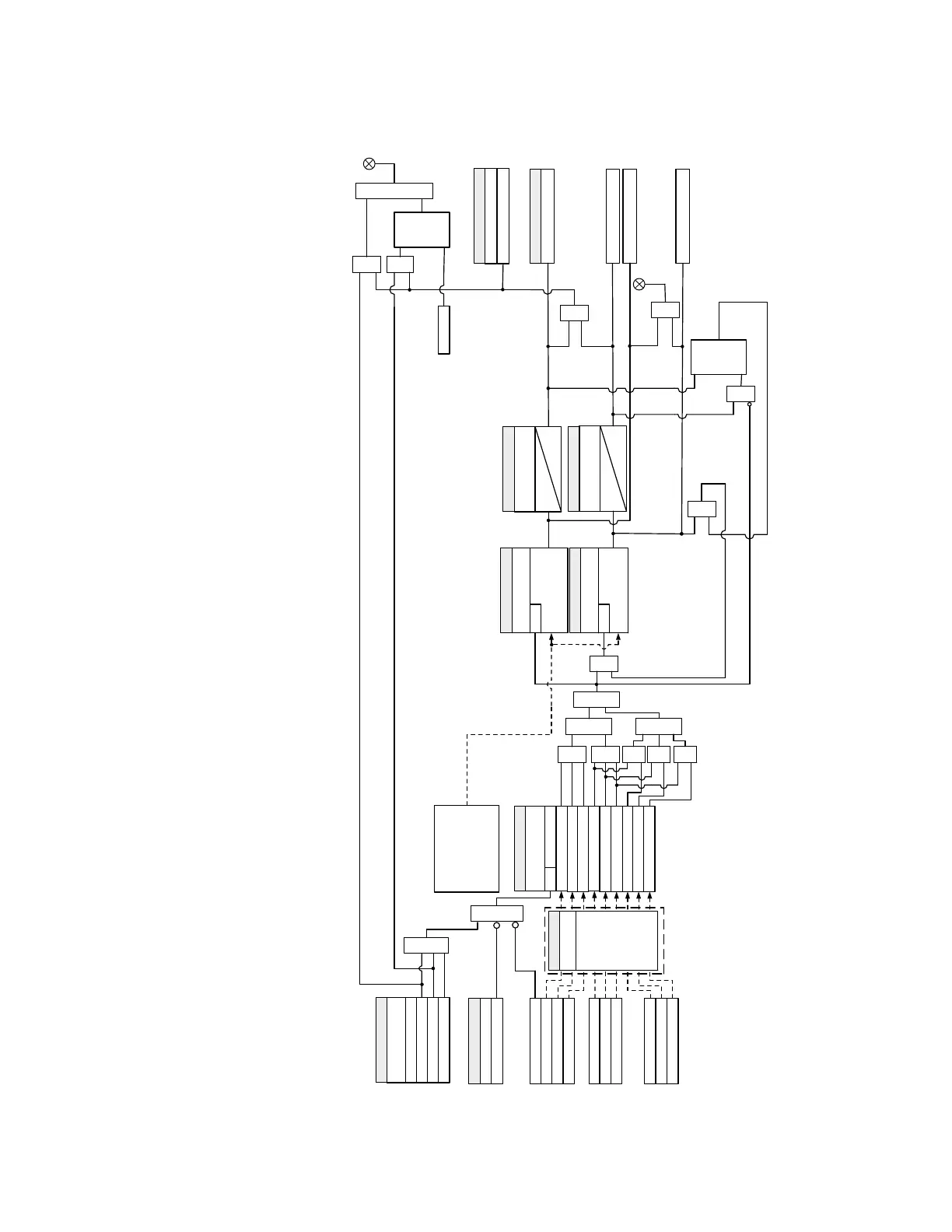
7–22 850 FEEDER PROTECTION SYSTEM – INSTRUCTION MANUAL
FUNCTIONS CHAPTER 7: MONITORING
Figure 7-14: Power Factor logic diagram
SETPOINT
BLOCK:
Off=0
AND
SETPOINT
POWER FACTOR 1
FUNCTION:
Disabled
Alarm
Latched Alarm
Configurable
OR
Voltage Inputs
- delta connected
None
PF 1 Switch-In OP
FlexLogic Operands
PF 1 Switch-In
AND AND
Command
RESET
OR
LED: ALARM
VAB
VBC
VCA
Current Inputs
Phase A Current (IA)
Phase B Current (IB)
Phase C Current (IC)
Power Factor of Three
Phases
(delta-connected VTs)
Power Factor of Valid
Phase(s)
(wye-connected VTs)
SETPOINT
POWER FACTOR 1
MINIMUM VOLTAGE :
VAB MINIMUM
RUN
IA > 0.002 xCT
VBC MINIMUM
VCA MINIMUM
IB > 0.002 xCT
IC > 0.002 xCT
AND
OR
SETPOINTS
POWER FACTOR 1
DELAY:
t
DLY
0
SETPOINTS
POWER FACTOR 1
SWITCH-IN:
|PF| < |SWITCH-IN|, both
PF and SWITCH-IN are
lag or lead
RUN
SETPOINTS
POWER FACTOR 1
SWITCH-OUT:
PF passing SWITCH-
OUT
RUN
SETPOINTS
POWER FACTOR 1
DELAY:
t
DLY
0
AND
PF 1 Switch-Out
PF 1 Switch-Out OP
SETPOINTS
OUTPUT RELAYS (3-7):
Do Not Operate, Operate
S
LATCH
Set-
Dominant
R
S
LATCH
Reset-
Dominant
R
OR
OR
OR
LED: PICKUP
OR
Voltage Inputs
- wye connected
VA
VB
VC
VA MINIMUM
VB MINIMUM
VC MINIMUM
AND AND AND
AND
OR
OR
Power 1
(System Setup \
Power Sensing)
Signal Input
SETPOINT
850 Only
894059A3.cdr

Table of Contents

Related product manuals