EasyManua.ls Logo

GE af-600 fp - Control Structures

GE af-600 fp
176 pages
Print Icon
To Next Page IconTo Next Page
To Next Page IconTo Next Page
To Previous Page IconTo Previous Page
To Previous Page IconTo Previous Page
Loading...
2.8 Control Structures
2.8.1 Control Principle
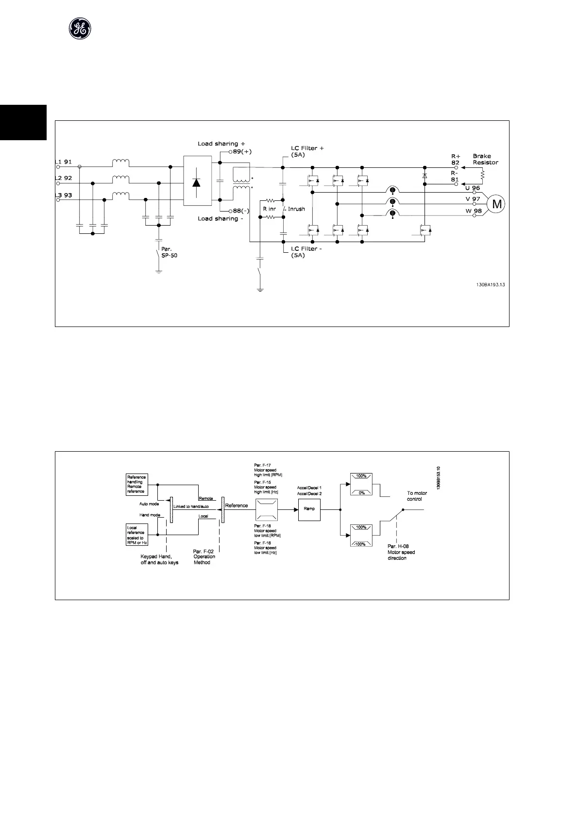
Illustration 2.5: Control structures.
The frequency converter is a high performance unit for demanding applications. It can handle various kinds of motor control principles such as U/f special motor
mode and advanced vector control and can handle normal squirrel cage asynchronous motors.
Short circuit behavior on this drive depends on the 3 current transducers in the motor phases.
In par. H-40 Configuration Mode it can be selected if open or closed loop is to
be used
2.8.2 Control Structure Open Loop
Illustration 2.6: Open Loop structure.
In the configuration shown in the illustration above, par. H-40 Configuration Mode is set to Open loop [0]. The resulting reference from the reference handling
system or the local reference is received and fed through the ramp limitation and speed limitation before being sent to the motor control.
The output from the motor control is then limited by the maximum frequency limit.
AF-600 FP Design Guide
28
2

Other manuals for GE af-600 fp

Related product manuals