EasyManua.ls Logo

GE AF-650 GP

GE AF-650 GP
166 pages
To Next Page IconTo Next Page
To Next Page IconTo Next Page
To Previous Page IconTo Previous Page
To Previous Page IconTo Previous Page
Loading...
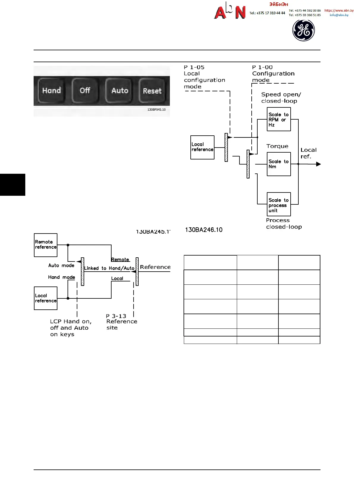
Figure 6.8
Active Reference and Configuration Mode
The active reference can be either the local reference or
the remote reference.
In F-02 Operation Method, the local reference can be
permanently selected by selecting [2] Local.
To permanently select the remote reference, select [1]
Remote. By selecting [0] Linked to Hand/Auto (default), the
reference site will depend on which mode is active. (Hand
Mode or Auto Mode).
Figure 6.9
Figure 6.10
Autokeypad Keys F-02 Operation
Method
Active Reference
Hand Linked to Hand/
Auto
Local
Hand
Off
Linked to Hand/
Auto
Local
Auto Linked to Hand/
Auto
Remote
Auto
Off
Linked to Hand/
Auto
Remote
All keys Local Local
All keys Remote Remote
Table 6.13 Conditions for Local/Remote Reference Activation
H-40 Configuration Mode determines what kind of
application control principle (i.e. speed, torque or process
control) is used when the remote reference is active.
H-45 Local Mode Configuration determines the kind of
application control principle that is used when the local
reference is active. One of them is always active, but both
can not be active at the same time.
Application Setup Examples
AF-650 GP
TM
Design and Installation Guide
6-10 DET-767A
6
6

Table of Contents

Other manuals for GE AF-650 GP

Related product manuals