EasyManua.ls Logo

GE AKD-10 - NEMA 3 R Outdoor Switchgear Layouts

GE AKD-10
66 pages
Print Icon
To Next Page IconTo Next Page
To Next Page IconTo Next Page
To Previous Page IconTo Previous Page
To Previous Page IconTo Previous Page
Loading...
47
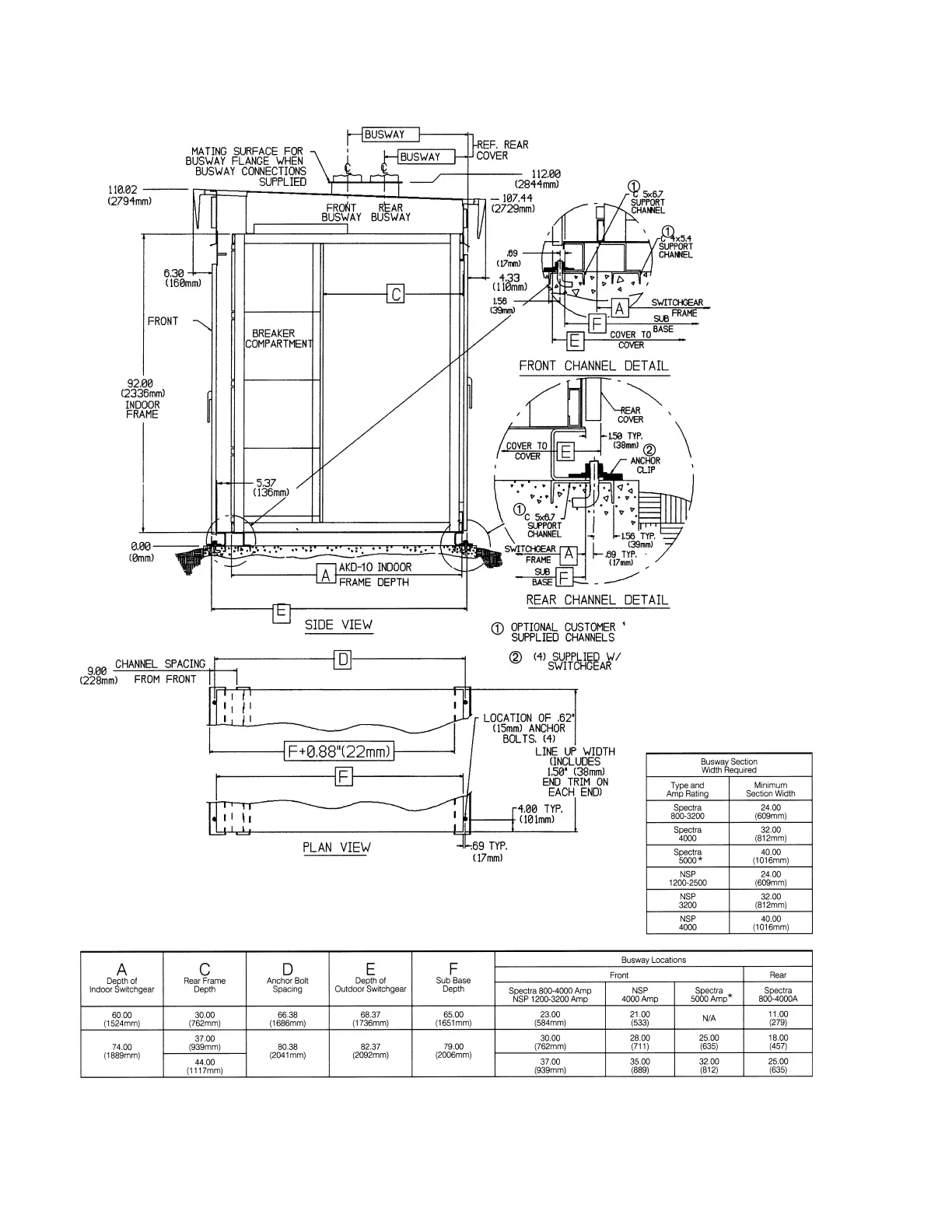
*Busw
ay to main bus only, 5000A br
eak
er not av
ailable in outdoor non-walk-in construction.
R
efer to T
able 32.1 and 32.2 for equipment depth options.
NEMA 3R outdoor, non-walk-in — side view and anchoring details
Note: Refer to installation drawing and AKD-10 switchgear installation manual (DEH-194) for additional information

Related product manuals