EasyManua.ls Logo

GE P4A - Page 841

GE P4A
850 pages
Print Icon
To Next Page IconTo Next Page
To Next Page IconTo Next Page
To Previous Page IconTo Previous Page
To Previous Page IconTo Previous Page
Loading...
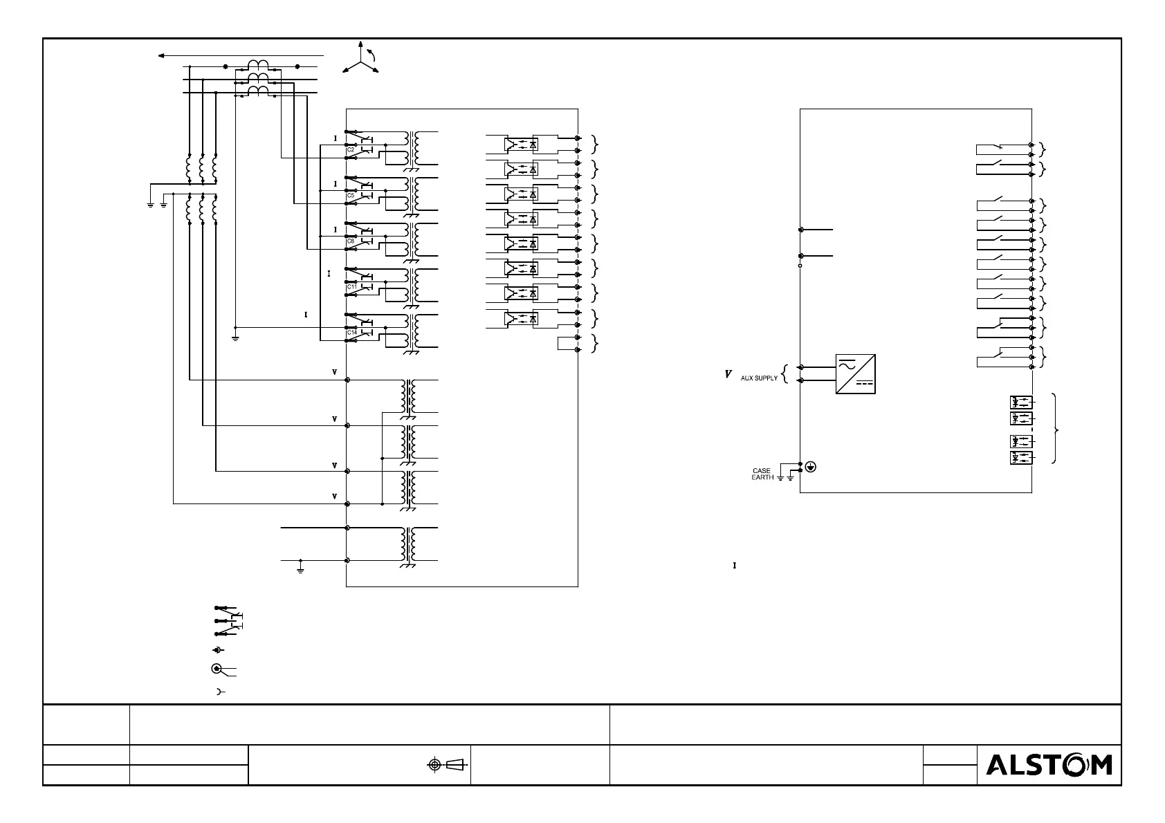
F16
F18
F17
CONTACT
WATCHDOG
WATCHDOG
CONTACT
F13
F14
F12
F11
CONNECTION
OPTO 5
COMMON
OPTO 8
OPTO 7
OPTO 6
OPTO 4
OPTO 3
OPTO 2
D14
D16
D18
D17
+
D15
-
+
D13
D12
-
+
D11
D10
-
+
D5
D9
D8
+
-
-
D7
D6
+
-
D3
D4
+
-
D2
D1
+
-
PHASE ROTATION
A
C B
OPTO 1
SCN
COMMUNICATION
FIBRE OPTIC
CURR DIFF
RX2
RX1
TX2
TX1
9-WAY & 25-WAY FEMALE D-TYPE SOCKET
(b)
PIN TERMINAL (P.C.B. TYPE)
50 OHM BNC CONNECTOR
NOTES 1.
(a)
C.T. SHORTING LINKS
-
+
F2
F1
*
AC OR DC
x
MiCOM P54B (PART) MiCOM P54B (PART)
POWER SUPPLY VERSION 24-48V (NOMINAL) D.C. ONLY
*
+
EIA485/
KBUS
PORT
-
SEE DRAWING
10Px4001
E11
RELAY 6
RELAY 7
RELAY 8
E17
E18
E14
E16
E15
E13
E12
RELAY 1
RELAY 2
RELAY 4
RELAY 3
RELAY 5
E10
E9
E7
E8
E6
E4
E5
E3
E2
E1
N
C
B
C22
C21
C20
DIRECTION OF FORWARD CURRENT FLOW
N
b
a c
n
A
C
B
C
A
B
S2
P2
C19
C15
C13
C
B
C9
C7
C6
A
S1
C3
C4
C1
P1
C12
C10
NOTE
4.
M
1A
5A
5A
1A
1A
5A
1A
5A
SENSITIVE
N
NOTE 2.
1A
5A
NOTE 4.
A
3. MUTUAL CURRENT INPUT ONLY REQUIRED IF ENABLED IN FAULT LOCATOR.
4. C.T. CONNECTIONS ARE SHOWN 1A CONNECTED AND ARE TYPICAL ONLY.
2. USED FOR SEF PROTECTION. SENSITIVE SHOULD BE DRIVEN FROM A CORE BALANCE CT WHEN SENSITIVE
SETTINGS ARE USED.
N
5. FOR COMMS OPTIONS SEE DRAWING 10Px4001.
(SEE NOTE 6.)
V BUSBAR
C24
C23
6. V BUSBAR ONLY REQUIRED IF CHECK SYNCHRONISM FUNCTION ENABLED.
Drg
No:
Issue: Revision:
Date:
Date:
Name:
Chkd:
DO NOT SCALE
CAD DATA 1:1 DIMENSIONS: mm
Title:
Substation Automation Solutions
ALSTOM GRID UK LTD
(STAFFORD)
Sht:
Next
Sht:
07/10/2016 S.WOOTTON
SWOO-AB5E6D. INITIAL ISSUE.
10P54B01
1
2
EXTERNAL CONNECTION DIAGRAM: CURRENT DIFF 2 RELAY
8 INPUTS, 8 OUTPUTS & SEF (40TE)
B

Table of Contents

Related product manuals