EasyManua.ls Logo

GE PC2B940SEJSS - Using The Oven; Oven Controls Overview

GE PC2B940SEJSS
72 pages
Print Icon
To Next Page IconTo Next Page
To Next Page IconTo Next Page
To Previous Page IconTo Previous Page
To Previous Page IconTo Previous Page
Loading...
14
49-85222
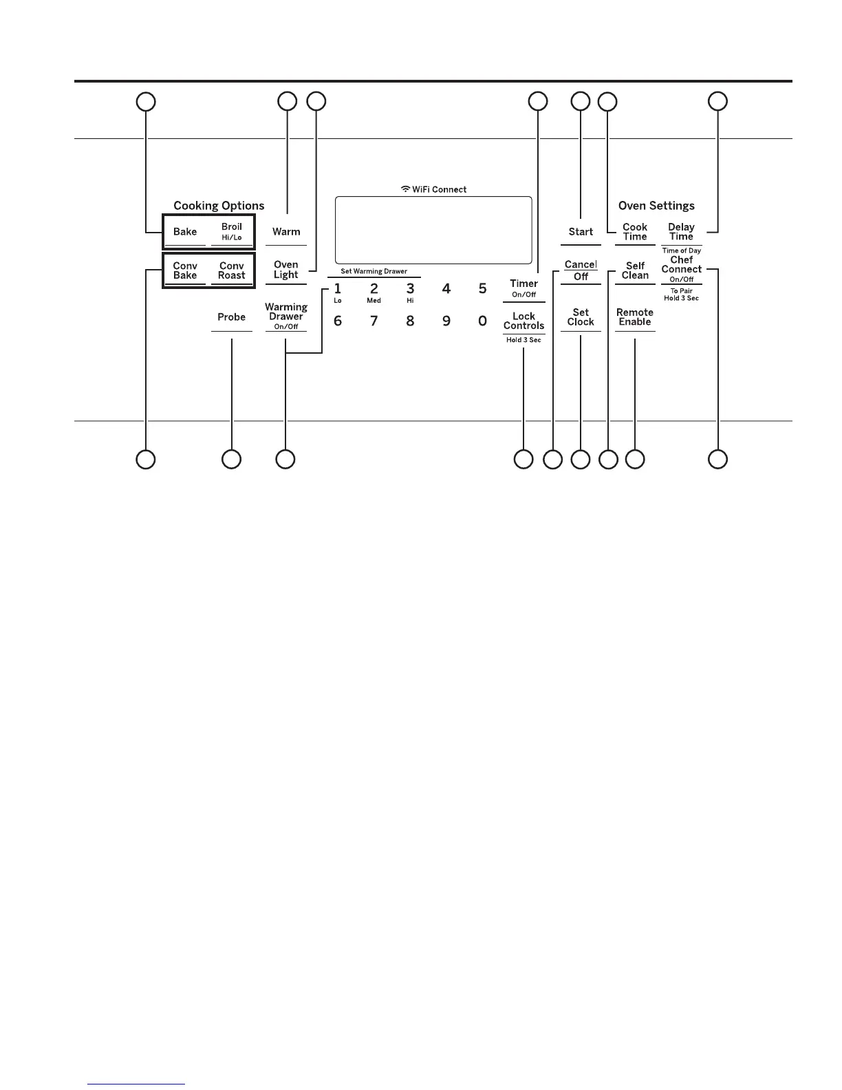
Oven Controls
USING THE OVEN: Oven Controls
62
489
51 73
10 15 1614 12
1113

Related product manuals