EasyManua.ls Logo

GE PC2B940SEJSS - Utilisation du Four; Commandes du Four

GE PC2B940SEJSS
72 pages
Print Icon
To Next Page IconTo Next Page
To Next Page IconTo Next Page
To Previous Page IconTo Previous Page
To Previous Page IconTo Previous Page
Loading...
14
29-5981
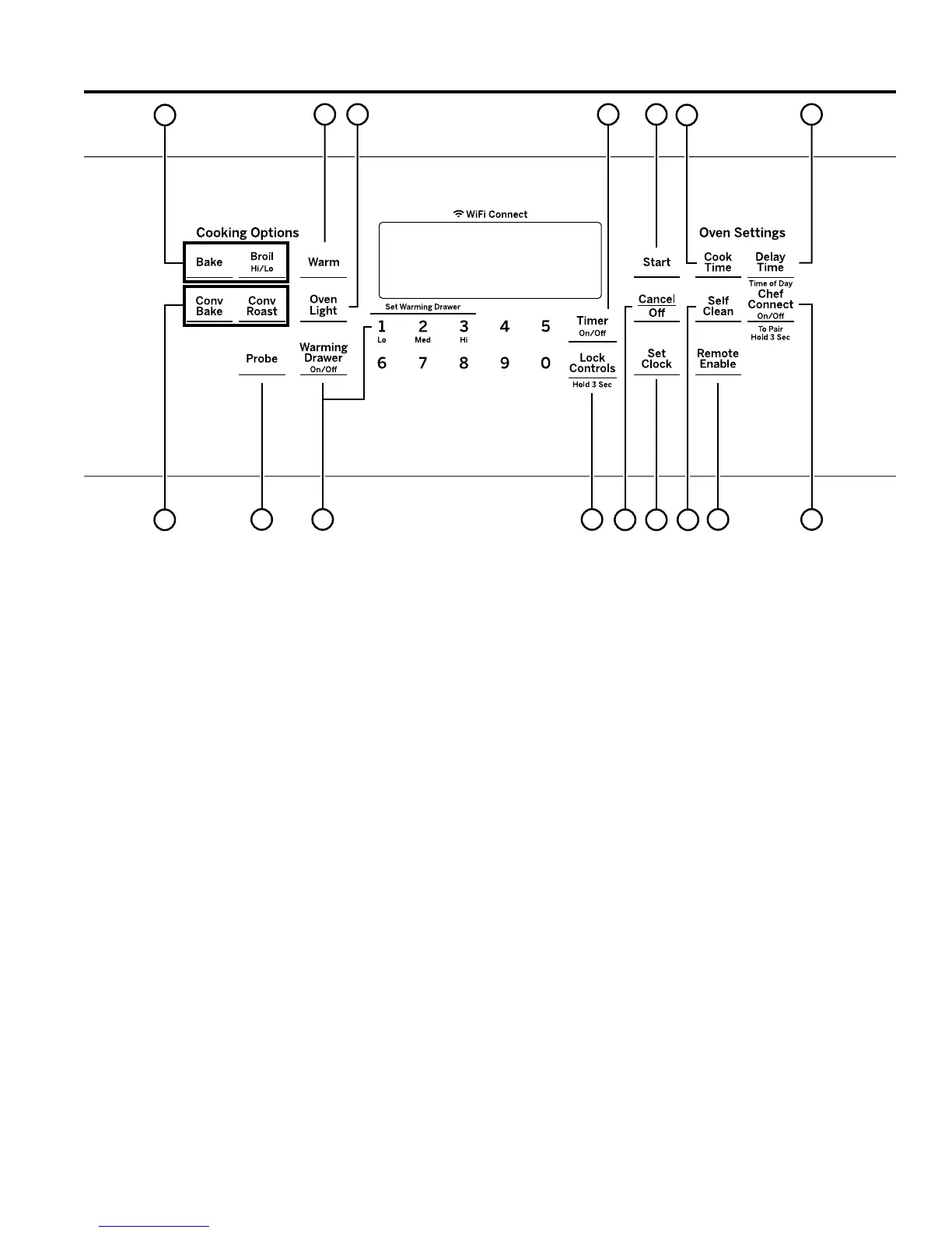
Commandes du four
UTILISATION DU FOUR : Commandes du four
62
48 9
51 7 3
10 15 1614 12
1113

Related product manuals