EasyManua.ls Logo

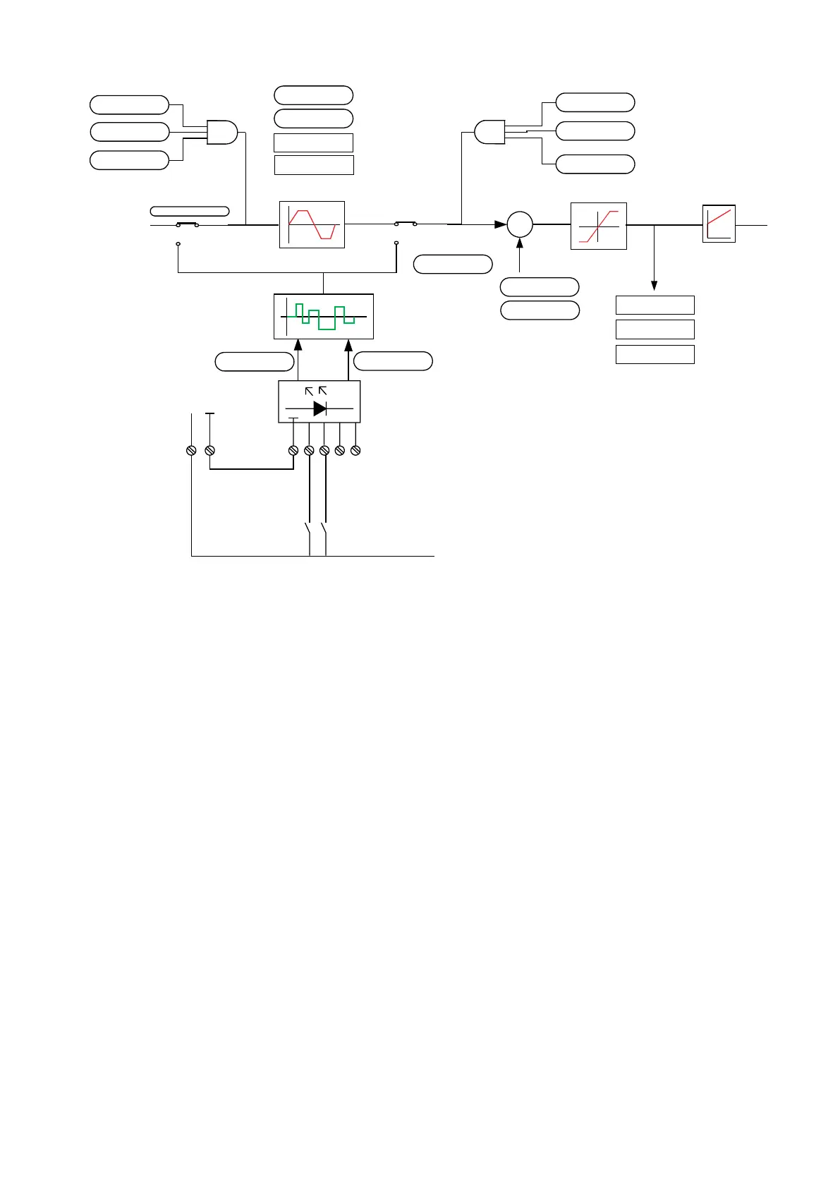
gefran TPD32-EV-CU series - Figure 6.14.2.1: Example of External Activation in Jog Mode

gefran TPD32-EV-CU series
504 pages
To Next Page IconTo Next Page
To Next Page IconTo Next Page
To Previous Page IconTo Previous Page
To Previous Page IconTo Previous Page
Loading...
—————— Instruction manual ——————
237
15 11 12 13 14
DRIVE
19 18
+24V
0V 24
Digital input 1
Digital input 2
Digital input 3
Digital input 4
COMDI/O
Jog +
Jog -
+
-
Speed Regulator
Ramp ref (rpm)
F
F
Ramp
Speed limits
Speed ref1(%)
Jog -
No Backward Jog
Jog +
No Forward Jog
Start/Stop
Stop drive
Enable jog
Enabled
Jog selection
Speed Input
Speed ref 1
0 rpm
Jog reference
100 rpm
Speed ref 2
0 rpm
Start/Stop
Stop drive
Enable jog
Enabled
Jog selection
Speed Input
Speed ref
Speed ref (d)
Speed ref (%)
Speed ref (d)
Percent ref var
Speed ref 2
%
Figure 6.14.2.1: Example of external activation in Jog mode
note! ThefollowingsignalsarerequiredforJogmodeinadditiontothecommandsJog +andJog - :
Enable drive Fast Stop External fault  Low Disabled
ThejogspeedcorrespondstothevaluewhichisdenedbytheJog referenceparameter.Inthiscasenoramp
isused.
ThejogreferencevaluecanonlybeactivatedbytheJog + or Jog -commandifthereisnoStartcommandactive.
IftheStart commandisgiveninadditiontotheJog + andJog - command,Jogmodewillbeabortedandthe
drivewillreactaccordingtotheStartcommand.
Whencontrolledviathekeypadthe“+”and“-”keyscanbeusedintheJogfunctionmenu.(onlyforTPD32-
EV...4B...).ForthisselecttheJog operationmenupoint.
ThecorrectionvalueSpeed ref 2forthespeedregulatorisalsoactiveinjogoperation.
note! IftheStop controlfunctionisactivated,toenabletheJogfunctiontheJog Stop control
(FUNCTION/Stopcontrol)mustalsobesettoON(1).

Table of Contents

Related product manuals