EasyManua.ls Logo

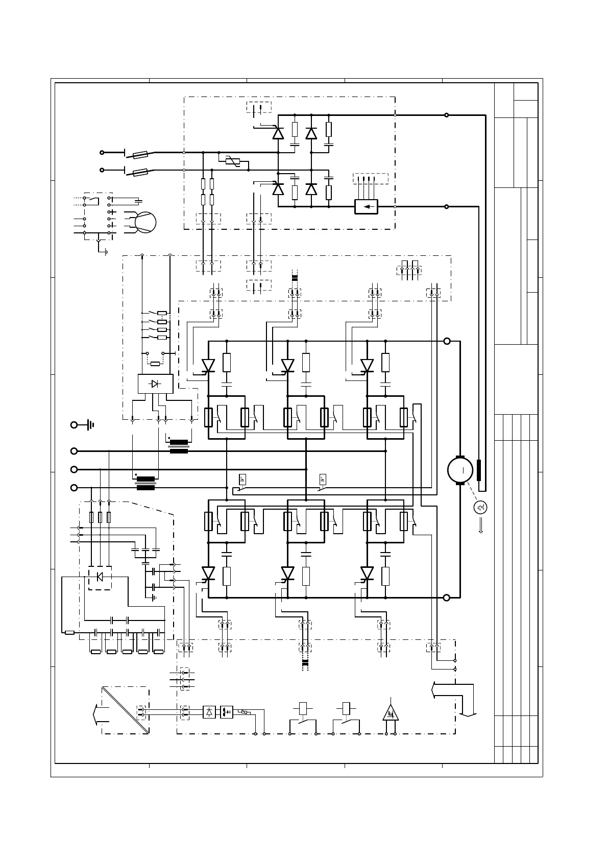
gefran TPD32-EV-CU series - Figure 9.2.10: ESE5770 TPD32-EV-500...690...-1300...2400-2 B

gefran TPD32-EV-CU series
504 pages
To Next Page IconTo Next Page
To Next Page IconTo Next Page
To Previous Page IconTo Previous Page
To Previous Page IconTo Previous Page
Loading...
—————— TPD32-EV ——————
412
Figure 9.2.10: ESE5770 TPD32-EV-500 ...690 ...-1300 ...2400-2B
PAGE
OVER
MOD.
INDEX
DOC
ID
DATE
.HCS.SED
APPR.
NAME
MOD. DATE
MODIFICATION DESCRIPTION
APPR.
4321
5
76
A
B
C
D
E
AB
CDE
1
2
3
4
5
6
7
This document is our intellectual property. Without our written consent, it shall neither be copied
in any manner, nor used for manufacturing, nor communicated to third parties.
FILE NAME:
CODE
G 2
G 1
K 1
G 5
K 5
G 4
K 4
G 6
K 6
G 3
K 3
U
V
W
DC
T1
T2
T3
T4
T5
T6
F1
F1°
F2
F2°
F3
F3°
F4
F4°
F5
F5°
F6
F6°
R
T1
R
T3
R
T2
R
T4
R
T5
R
T6
C
T1
C
T2
C
T3
C
T4
C
T5
C
T6
k2
l2
K2
L2
k1
l1
K1
L1
PE
ESE5770 TPD32-EV-500 ...690-1300 ...2400-2B_4B Block Diagram.vsd
EC
Jan 17, 2012
2 2
----
“TPD32-EV-500/600-1400...2400-2B-D”,
“TPD32-EV-575/680-1300...2300-2B-D”,
“TPD32-EV-690/810-1300...2100-2B-D” DC drives.
TA1
TA2
TH1
CFSF-XXX
ESE 5320
C1
C2
C3
C4
C5
C6
C7
R1R2R3R4R5
R6
to FIR-
D-XX
from C
F11
F21
F31
XUVW 3 15
X1UVW1 135
XCD 1 3 7 5
from D
C6+C1+
C1+
C2+
C2+
C3+
C3+
C4+
C4+
C4-
C4-
C5-
W
W ( K )
U
U ( K )
XTA 1234 XTA
K 2
CT
K 1
F
G 1
F
G 2
F
T1
F
T2
F
D1
F
D2
F
R
T1F
R
D1F
R
T2F
R
D2F
C
T1F
C
D1F
C
D2F
C
T2F
U1 V1
1C1D
1
2
1
2
3
4
XFCD
+15V
-15V
0V
M
X3
1U1
1V1
PFC40, PFC70
ESE 2374
G1
K1
XP1
K2
G2
XP2
to FIR-D-XX
to R-TPD32
KG1
KG2
KG3
KG4
KG5
KG6
FIR-D-XX-2B
ESE 5313
FIR-D-XX-2B
ESE 5313
1
3
XCD
Fan supply
230V
AC
50/60Hz
1
5
3
7
XCD_IO
78
79
Motor
overtemperature
Motor
PTC
“Contactor”“Ready”
RL1
35
36
RL2
75
76
X1UVW1
135
U
V
W
from
CFSF-XX
1
4
XUV
U2
V2
+
-
Control Supply
115/230V
AC
1
4
XUV
+24V
±15V +5V
SMPS
SW1-31
ESE 2192
Heatsink
overtemp.
X4
1
2
XSPF
1
3
81
82
Fuse
fault
1
2
X3
G1
K1
XP1
ESE 5770
K2
G2
XP2
XT4
XT5
XT6
XT1
XT2
XT3
Remark: Fuses F1° to F6°
not on all drive sizes.
From / to Control
Board R-TPD32
Low voltage
signals only
M
500V
AC
to 690V
AC
50/60Hz
TH2
F
U1
F
V
1
M
~
ye-gn
black
blue /
grey
brown
U3C
Z2C
Z2F
V3F
U3F
PE
C
S
31
32
PE
U3
V3
FNLS
ESE 5341
Fan
fault
Cooling fan
SW3, SW4
XCT
2
1
Ext R
XR-13
XR-14
to R-
TPD32
460V
AC
max
Speed feedback
K 2
F

Table of Contents

Related product manuals