EasyManua.ls Logo

Gehl SL4835 - SL46;4835 SX Hydrostatic;Hydraulic Schematic

Gehl SL4835
86 pages
Print Icon
To Next Page IconTo Next Page
To Next Page IconTo Next Page
To Previous Page IconTo Previous Page
To Previous Page IconTo Previous Page
Loading...
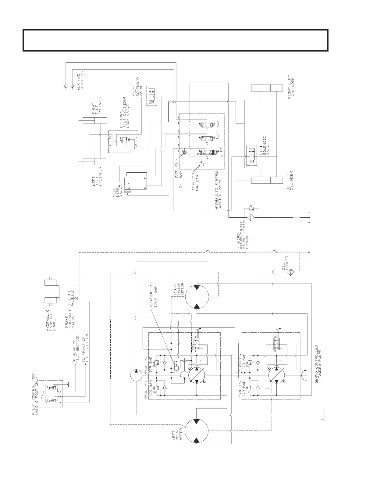
SL46/4835SX Hydrostatic/Hydraulic Schematic
SN300119 and later - SL4635; SN400121 and later SL4835
907808/CP0300 70 PRINTED IN USA

Related product manuals