EasyManua.ls Logo

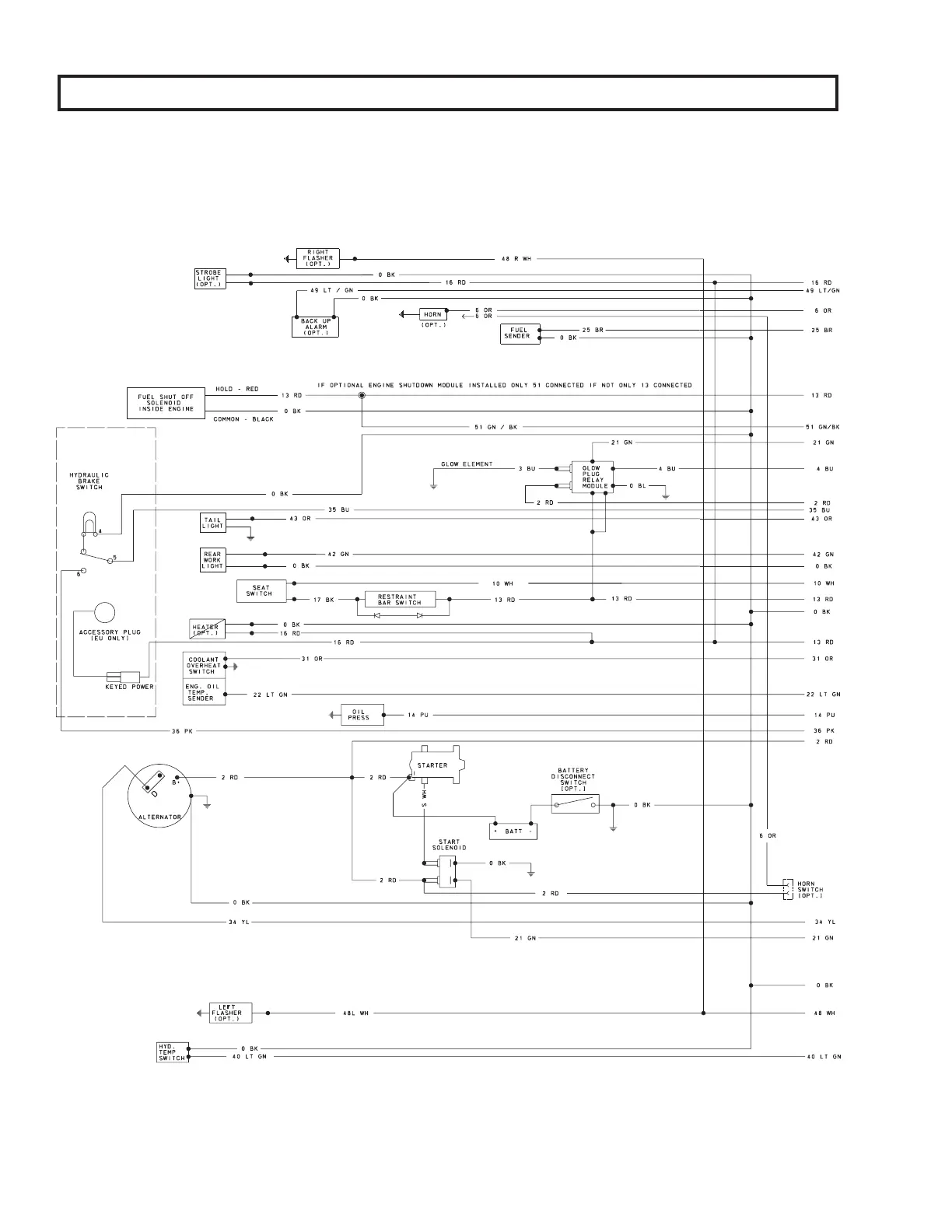
Gehl SL4835 - SL46;4835 Electrical Schematic

Gehl SL4835
86 pages
Print Icon
To Next Page IconTo Next Page
To Next Page IconTo Next Page
To Previous Page IconTo Previous Page
To Previous Page IconTo Previous Page
Loading...
SL46/4835 Electrical Schematic
907808/CP0300 74 PRINTED IN USA

Related product manuals