EasyManua.ls Logo

GHH RAND CF75D8 - CF180 Series Technical Data

Default Icon
60 pages
Print Icon
To Next Page IconTo Next Page
To Next Page IconTo Next Page
To Previous Page IconTo Previous Page
To Previous Page IconTo Previous Page
Loading...
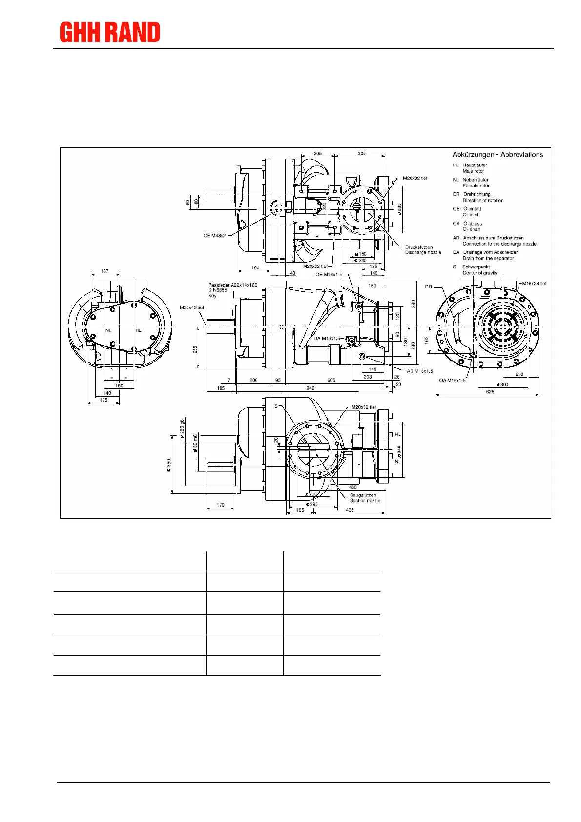
Installation Manual Series CF (excluding encapsulated screw compressors) 23042013 Rev. A / May 2007 53 of 60
CF180G2 Technical data (Page 1 of 3)
Dimensions: 1130 mm x 626 mm x 535 mm (LxWxH)
Weight: 780 kg
Permissible areas of operation:
min max
Speed of male rotor 745 1/min 3723 1/min
Suction pressure 0,62 bar(abs)
atmospheric
pressure
Discharge pressure 6 bar(abs) * 16 bar(abs)
Discharge temperature 110°C
Gear Ratio 0,6119 2,4839
* without additional oil pump

Related product manuals