EasyManua.ls Logo

GigaDevice Semiconductor GD32E507Z-EVAL - I2 C; I2 S; Sqpi; Figure 4-8. Schematic Diagram of I2 C

Default Icon
44 pages
Print Icon
To Next Page IconTo Next Page
To Next Page IconTo Next Page
To Previous Page IconTo Previous Page
To Previous Page IconTo Previous Page
Loading...
User Guide
GD32E507Z-EVAL
11/43
RS232_TX
VBUS
1
DM
2
DP
3
ID
4
GND
5
Shield
6
USB_MiniAB receptacle
J1
Mini_USB
UD+
1
UD-
2
GND
3
RTS#
4
CTS#
5
TNOW
6
VCC
7
TXD
8
RXD
9
V3
10
U3
CH340E
D+
D-
+3V3
+3V3
PA10
C16
50V/0.01uF
C22
50V/0.1uF
D+
D-
C23
50V/4700pF
R13
1MΩ
USART0 To USB
RS232_RX
USART0_TX
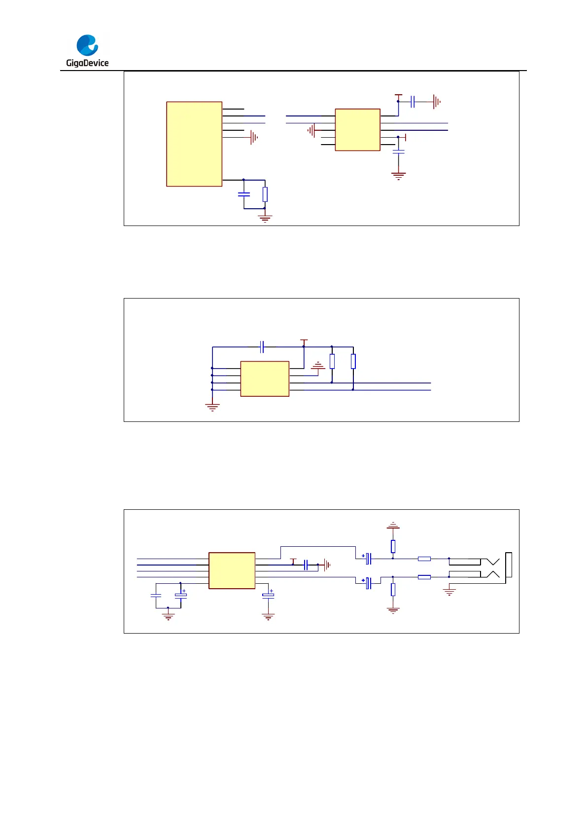
4.9. I2C
Figure 4-9. Schematic diagram of I2C
A0
1
A1
2
A2
3
GND
4
SDA
5
SCL
6
WP
7
VCC
8
U4
AT24C02C-SSHM-T
+3V3
GND
R8
4.7KΩ
R9
4.7KΩ
I2C0_SCL
I2C0_SDA
I2C
C27
50V/0.1uF
GND
PB7
PB6
4.10. I2S
Figure 4-10. Schematic diagram of I2S
I2S
I2S1_MCK
I2S1_WS
I2S1_CK
I2S1_SD
C62
50V/0.1uF
GND
E8
16V/10uF,AVX
C63
50V/0.1uF
GND
E9
16V/10uF,AVX
GND
5
4
3
2
1
J2
HeadPhone
E6
16V/3.3uF,AVX
E7
16V/3.3uF,AVX
GND
R57
10KΩ
R54
10KΩ
GND
GND
R55
470Ω
R56
470Ω
SDIN
1
SCLK
2
LRCK
3
MCLK
4
VQ
5
FILT+
6
AOUTL
7
GND
8
AOUTR
10
VA
9
U10
CS4344
+3V3
PC6
PB12
PB13
PB15
4.11. SQPI
Figure 4-11. Schematic diagram of SQPI

Table of Contents

Related product manuals