EasyManua.ls Logo

Graco 015.050-DP - DIMENSIONS, SCREW CONNECTION THREADS, RATED DIAMETER OF CONNECTIONS, MOUNTING POSITION

Graco 015.050-DP
53 pages
Print Icon
To Next Page IconTo Next Page
To Next Page IconTo Next Page
To Previous Page IconTo Previous Page
To Previous Page IconTo Previous Page
Loading...
- 06 - B.6.20.44-P
F22.060.02, issued on 01.98
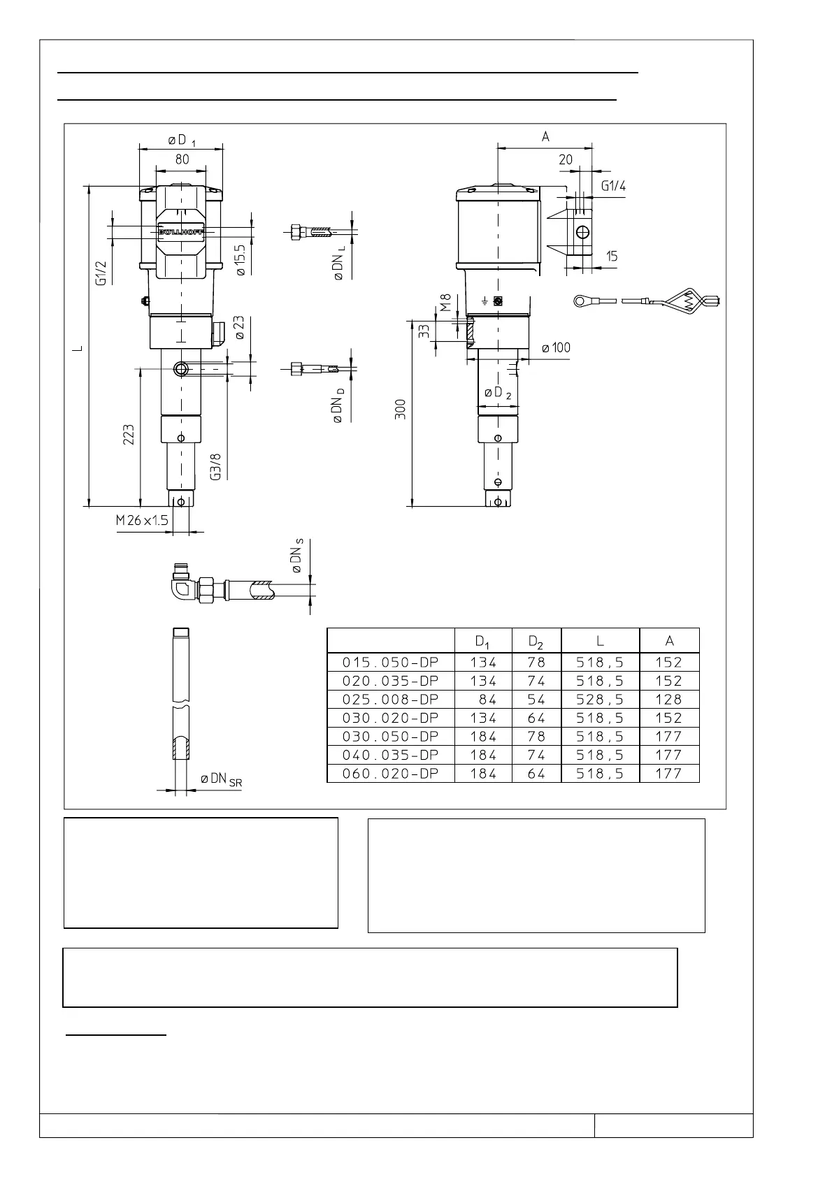
DIMENSIONS, SCREW CONNECTION THREADS, RATED
DIAMETER OF CONNECTIONS, MOUNTING POSITION
FOOTNOTE
Relevant documentation Sales catalogue 01.2044
Earthing ring
Reciprocating pump
Safety valve
Fluid outlet connection
Fluid pressure
connector
Pressure
connection
Exhaust
Air pressure air line
Fluid pressure line
Fluid suction line
Suction line
DN
L
DN
D
DN
S
DN
SR
Elastic connections:
Reciprocating pump –air pressure system,
Reciprocating pump – fluid container / line
necessary
9
6
19
21
The reciprocating pumps have ball valves without springs and can therefore only be
operated in the vertical position or in a position slightly departing from the vertical.

Related product manuals