EasyManua.ls Logo

Graco 015.050-DP - AIR MOTOR D60; AIR MOTOR D110 S70

Graco 015.050-DP
53 pages
Print Icon
To Next Page IconTo Next Page
To Next Page IconTo Next Page
To Previous Page IconTo Previous Page
To Previous Page IconTo Previous Page
Loading...
- 2 - B.6.20.44.-EO
F22.060.02, issued on.01.98
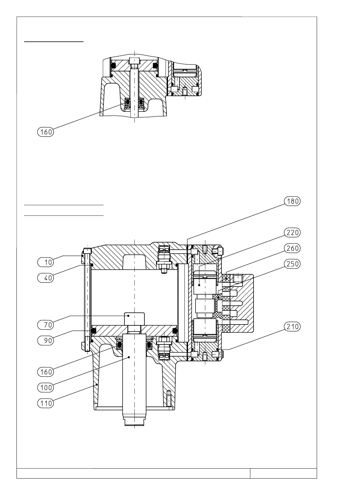
AIR MOTOR D60
AIR MOTOR D110 S70
AIR MOTOR D160 S70

Related product manuals