EasyManua.ls Logo

Graco 17С327 - 490;495;595 Lo-Boy Sprayers

Graco 17С327
58 pages
Print Icon
To Next Page IconTo Next Page
To Next Page IconTo Next Page
To Previous Page IconTo Previous Page
To Previous Page IconTo Previous Page
Loading...
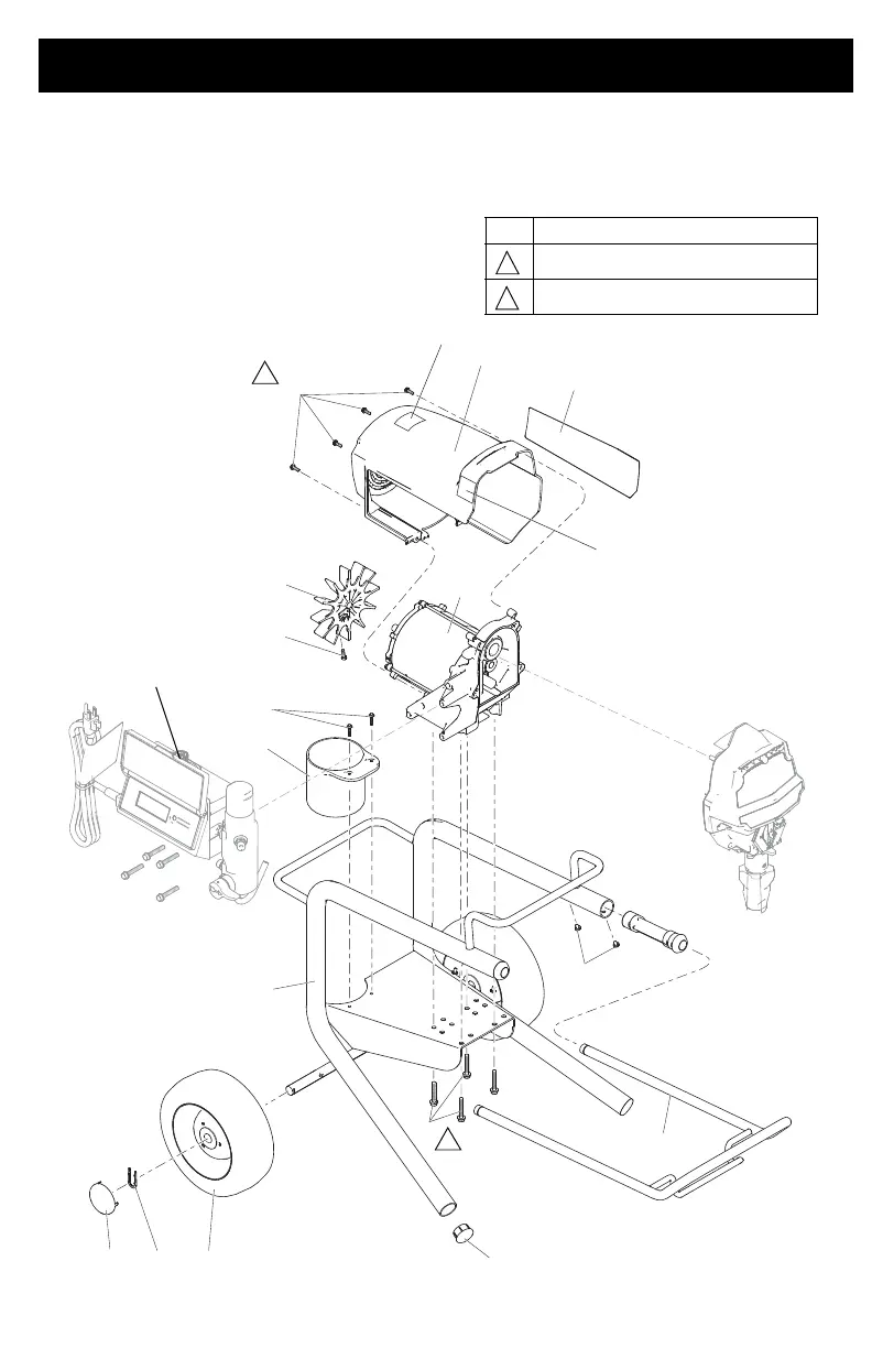
490/495/595 Lo-Boy Sprayers
334530E 43
490/495/595 Lo-Boy Sprayers
59
54
47
23
12
71
74
6668
69
150
83
53
54a
54b
ti24996a
82
63
65
See page 50.
2
1
Ref. Torque
140-160 in-lb (15.8 - 18.1 N•m)
30-35 in-lb (3.4 - 4.0 N•m)
1
2

Related product manuals