EasyManua.ls Logo

Graco 26A814 - System Configuration; Injector System

Graco 26A814
26 pages
Print Icon
To Next Page IconTo Next Page
To Next Page IconTo Next Page
To Previous Page IconTo Previous Page
To Previous Page IconTo Previous Page
Loading...
System Configuration
8 3A7031A
System Configuration
To determine the required configurations needed, refer to the following pages.
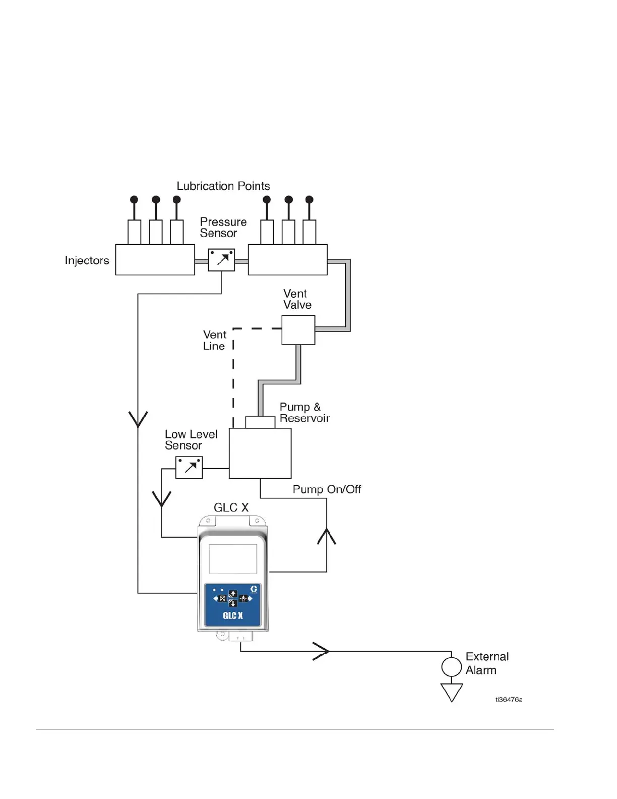
Injector System
FIG. 6 Injector System Configuration

Related product manuals