EasyManua.ls Logo

Graco LineLazer IV 200HS - Page 14

Graco LineLazer IV 200HS
40 pages
Print Icon
To Next Page IconTo Next Page
To Next Page IconTo Next Page
To Previous Page IconTo Previous Page
To Previous Page IconTo Previous Page
Loading...
Auto-Layout System
14 312226P
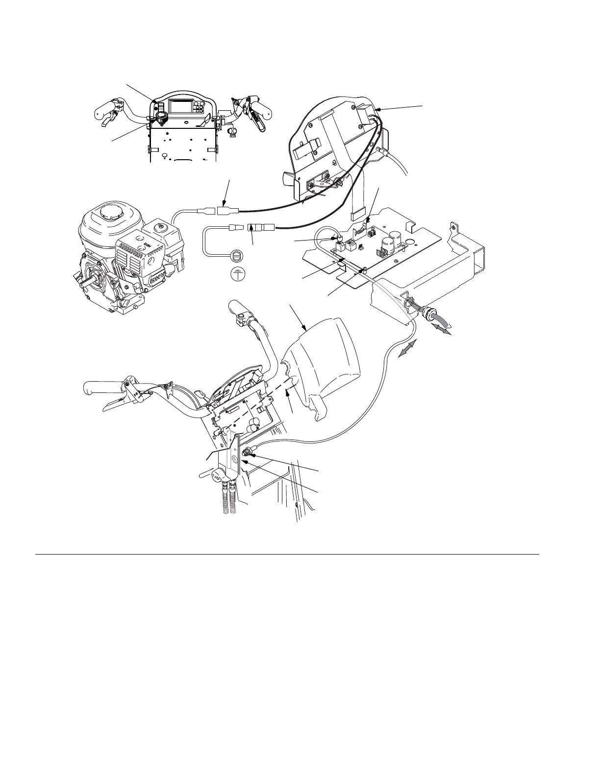
FIG. 2
TO ENGINE
GROUND
Main Control
Box Cable
Transducer
103
31
15f
15k
B
D
259
124
123
15d
C
A
15f
ti10327a

Other manuals for Graco LineLazer IV 200HS

Related product manuals