EasyManua.ls Logo

Graco LineLazer IV 200HS - Wiring Diagram; Auto-Layout System Wiring Diagram

Graco LineLazer IV 200HS
40 pages
Print Icon
To Next Page IconTo Next Page
To Next Page IconTo Next Page
To Previous Page IconTo Previous Page
To Previous Page IconTo Previous Page
Loading...
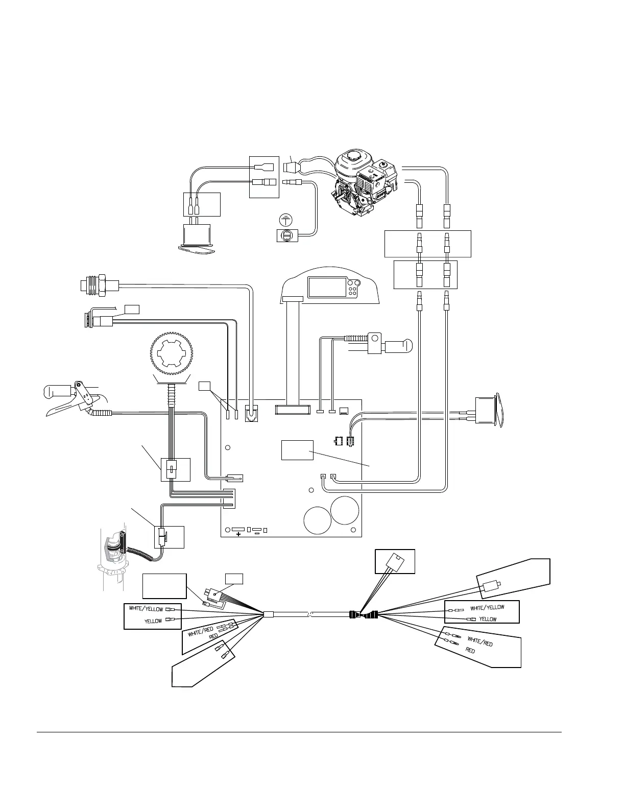
Auto-Layout System Wiring Diagram
38 312226P
Auto-Layout System Wiring Diagram
FIG. 17
Red clip on yellow
TO ENGINE
GROUND
ENGINE OFF
SWITCH
DISTANCE
SENSOR
DISPLAY BOARD
TRANSDUCER
PUMP
ON/OFF
SWITCH
GUN TRIGGER
JUNCTION
BOX
TO ENGINE
GENERATOR
CONTROL BOARD
SOFTWARE
REVISION
LABEL
J10
J1
J2
J11
J12
A2
A1
A3
A4
A8
YELLOW
WHITE/YELLOW
5900
WHITE/RED
RED
J5
SOLENOID
CONNECTOR
J9
J8
A5
A6
J4
J3
REMOTE BUTTON
J17
J16
J15
WHITE
WHITE/BLACK
A7
PUMP STROKE
COUNTER
A6
J12
A5
A1
A3
A8
A2
A4
PUMP STOKE
COUNTER
A7
WHITE
WHITE/BLACK

Other manuals for Graco LineLazer IV 200HS

Related product manuals