EasyManua.ls Logo

Graco LineLazer IV 200HS - Page 34

Graco LineLazer IV 200HS
40 pages
Print Icon
To Next Page IconTo Next Page
To Next Page IconTo Next Page
To Previous Page IconTo Previous Page
To Previous Page IconTo Previous Page
Loading...
Parts
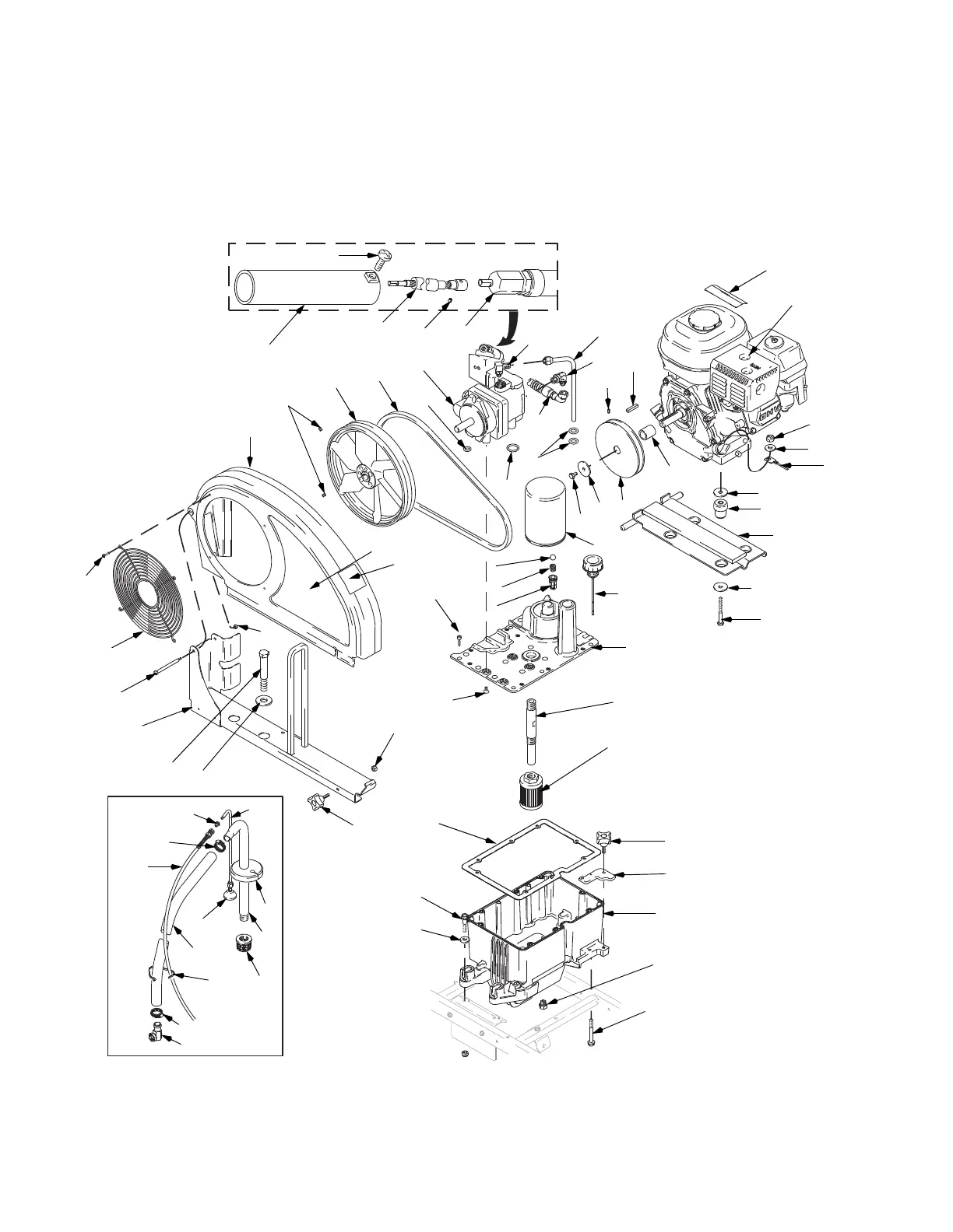
34 312226P
LineLazer IV 200HS
TI6493b
Sheet 6 of 7
34g
34n
34a
34d
34h
34b
34k
34d
34j
34c
34f
34e
Detail 34
125
86
24
193
63
241
43102
214
224
23
12
143
184
178
82
228
260
198
215
174
75
252
180
189
197
237
114
114
59
87c
81
170
227
185
118
87a
199
181
188
87b
212
169
Ref 32
251
196
150
182
172
253
200
195
242
30
85
117
170
241
88
255
254
162

Other manuals for Graco LineLazer IV 200HS

Related product manuals