EasyManua.ls Logo

Gravely 08499200B - Page 35

Gravely 08499200B
36 pages
Print Icon
To Next Page IconTo Next Page
To Next Page IconTo Next Page
To Previous Page IconTo Previous Page
To Previous Page IconTo Previous Page
Loading...
35
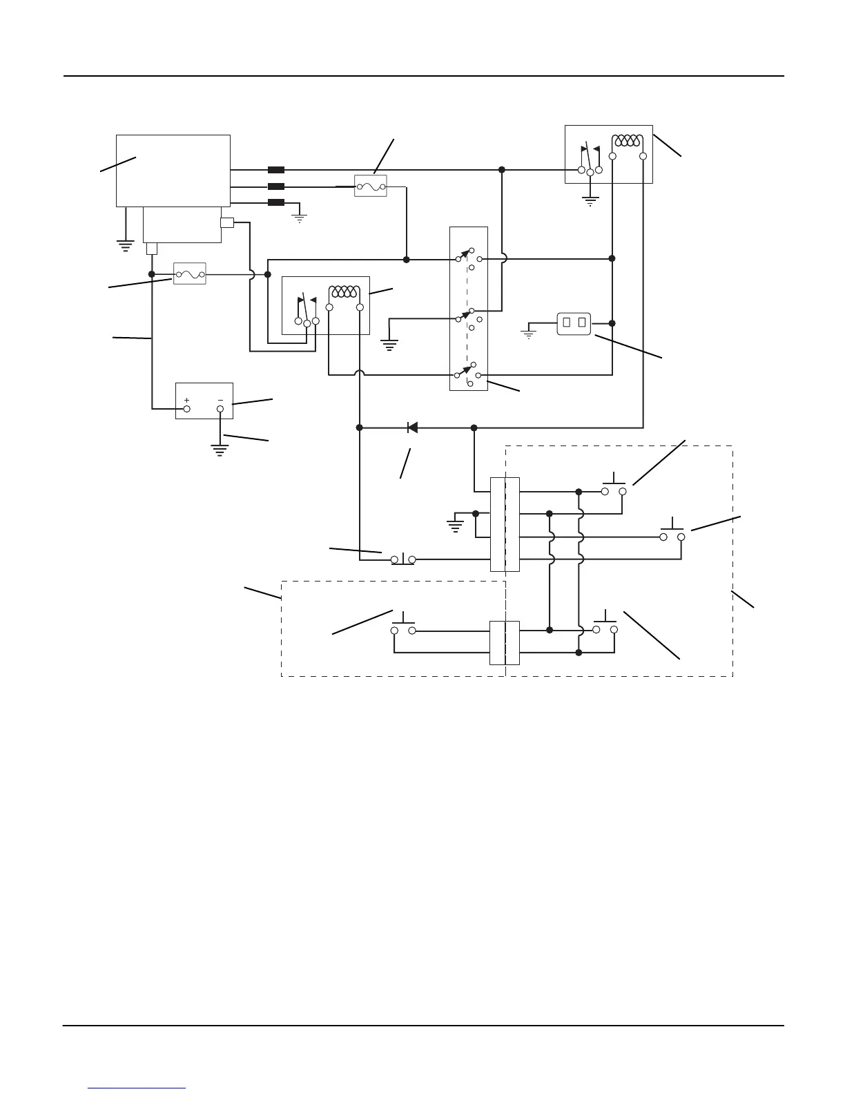
WIRING DIAGRAM
Model 985119
Item Part No. Qty. Description
1 08269400 1 Engine, Kohler Command Pro CS12ST (119)
2 00524700 1 Fuse 15 AMP
3 00580600 1 Fuse 20 AMP
4 03602300 1 Key Switch
5 038256 1 Hour Meter
6 02743300 1 Start Cable 22"
7 01554800 1 Battery
8 09222700 1 Cable, Negative Battery 35"
9 03081700 1 Molded Diode Plug- Clear 1 AMP
10 040216 2 Relay
11 08591000 1 Harness, Handlebar
12 046823 3 Switch
13 08594200 1 Harness, Steering Brake
14 051919 1 Switch, Interlock Closed (Forward/Reverse)
15 051918 1 Switch, Interlock Open (PTO)
BLACK
KILL RELAY
KEY
SWITCH
BLACK
A
B
M
S1
G
RED
BROWN
WHITE/BLACK
ENGINE
BLACK
PURPLE
STARTER
S2
30
86 85
87
87a
HOUR
METER
+
-
RED
BLACK
CHARGING
FUSE
BLACK
AB
30
86 85
87
87a
BATTERY
BLACK
RED
BROWN/WHITE
RED
AB
RED / WHITE
RED / WHITERED
BLACK / WHITE
DIODE
RED/YELLOW
1
2
2
1
2
LEFT PRESENCE
CONTROL SWITCH
1
RIGHT PRESENCE
CONTROL SWITCH
FWD/REV INTERLOCK
SWITCH
1
2
3
4
1
2
3
4
2
1
2
1
BLACK
STEERING BRAKE PRESENCE
CONTROL SWITCH
1
2
1
2
YELLOW/RED
BLACK
BLACK
RED/YELLOW
RED/YELLOW
BLACK
YELLOW/RED
BROWN/YELLOW
PTO SWITCH
HARNESS
FUSE
START RELAY
BLACK
1
2
4
5
6
7
8
9
10
11
12
12
13
12
14
15
PH0351
10
3

Related product manuals