EasyManua.ls Logo

Gravely 08499200B - Rame; Frame

Gravely 08499200B
36 pages
Print Icon
To Next Page IconTo Next Page
To Next Page IconTo Next Page
To Previous Page IconTo Previous Page
To Previous Page IconTo Previous Page
Loading...
6
F
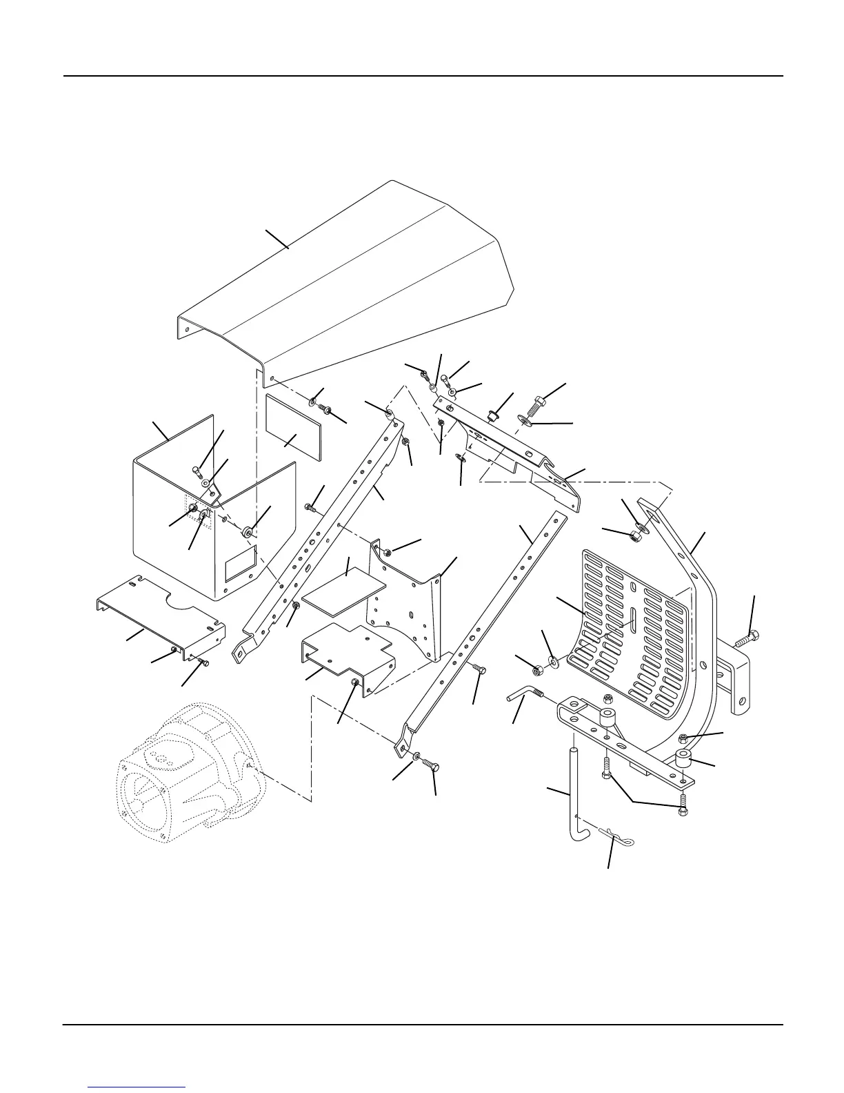
RAME
Model 985114, 115, 117, 119, 307, 309, 311, 312, 313
PH0391
1
2
3
4
5
6
7
8
9
10
11
12
13
5
14
15
16
14
3
17
18
19
20
21
17
22
23
24
11
25
11
26
27
28
29
30
14
31
32
33
11
34
35
36
37
38
39
40
11
25

Related product manuals