EasyManua.ls Logo

GRIGGIO GF 21 - Electrical Scheme for Gf35 (with Two Engines)

GRIGGIO GF 21
56 pages
Print Icon
To Next Page IconTo Next Page
To Next Page IconTo Next Page
To Previous Page IconTo Previous Page
To Previous Page IconTo Previous Page
Loading...
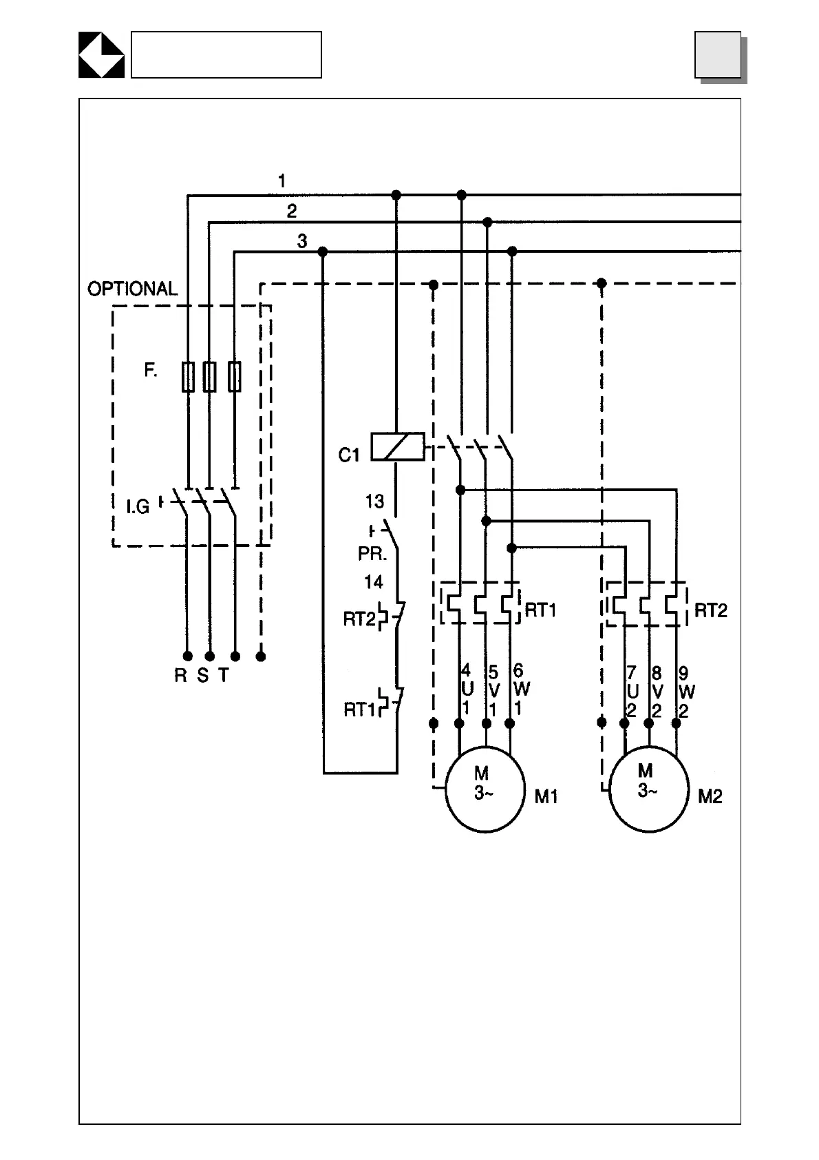
23B. ELECTRICAL SCHEME FOR GF35 (WITH TWO ENGINES)
25
GRIGGIO S.p.A.
WOODWORKING MACHINERY
I.G.: main switch;
RT ½: temperature relay;
C1/2: engine contactor;
PR: air pressure;
M1/2: driving shaft rotation;
F: main fuse.

Table of Contents

Related product manuals