EasyManua.ls Logo

Grizzly G0941 - Page 33

Grizzly G0941
137 pages
Print Icon
To Next Page IconTo Next Page
To Next Page IconTo Next Page
To Previous Page IconTo Previous Page
To Previous Page IconTo Previous Page
Loading...
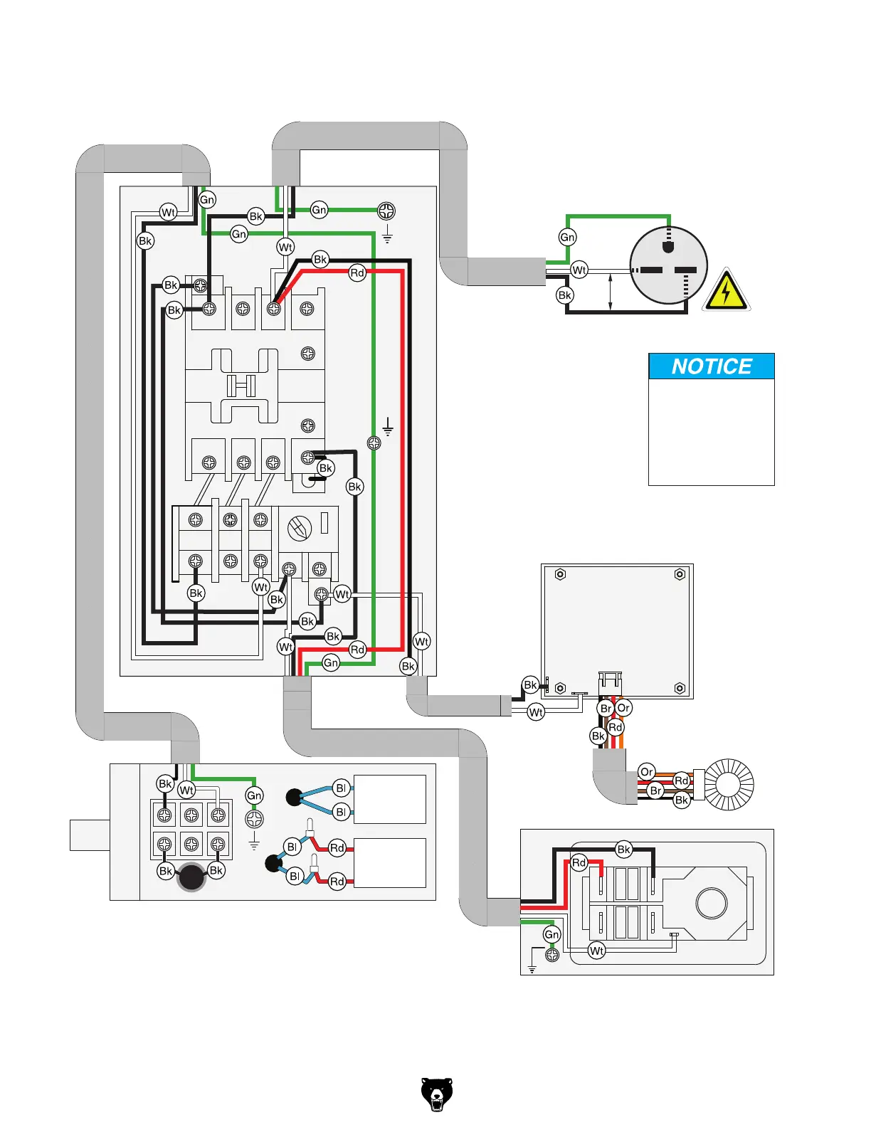
-2-
Ground
Run
Capacitor
50MFD
250VAC
Start
Capacitor
300MFD
125VAC
220V Motor
NO 13
L2 3 L3 5L1 1
A
T1 2 T2 4 T3 6
NC15
NC16
NO 14
18
15
12
3/41/2 5/6
14
13
24
23
B
9896
95
Magnetic Switch
Assembly MPE-18
Angle Sensor
Digital Readout
AC2
R18
AC1
SDE
MA-18
OFF
On/Off Switch
ON
Hot
Hot
Ground
220
VAC
6-15 Plug
(Included)
220 VAC
SDE RA-20
G
Installation work and
electrical wiring
must be done by
qualified electrician
in accordance with
all applicable codes
and standards.
G0651 Wiring Diagram 220V, 1-Ph

Table of Contents

Related product manuals