EasyManua.ls Logo

Growatt SPH 6000 BL-UP - Page 28

Growatt SPH 6000 BL-UP
66 pages
Print Icon
To Next Page IconTo Next Page
To Next Page IconTo Next Page
To Previous Page IconTo Previous Page
To Previous Page IconTo Previous Page
Loading...
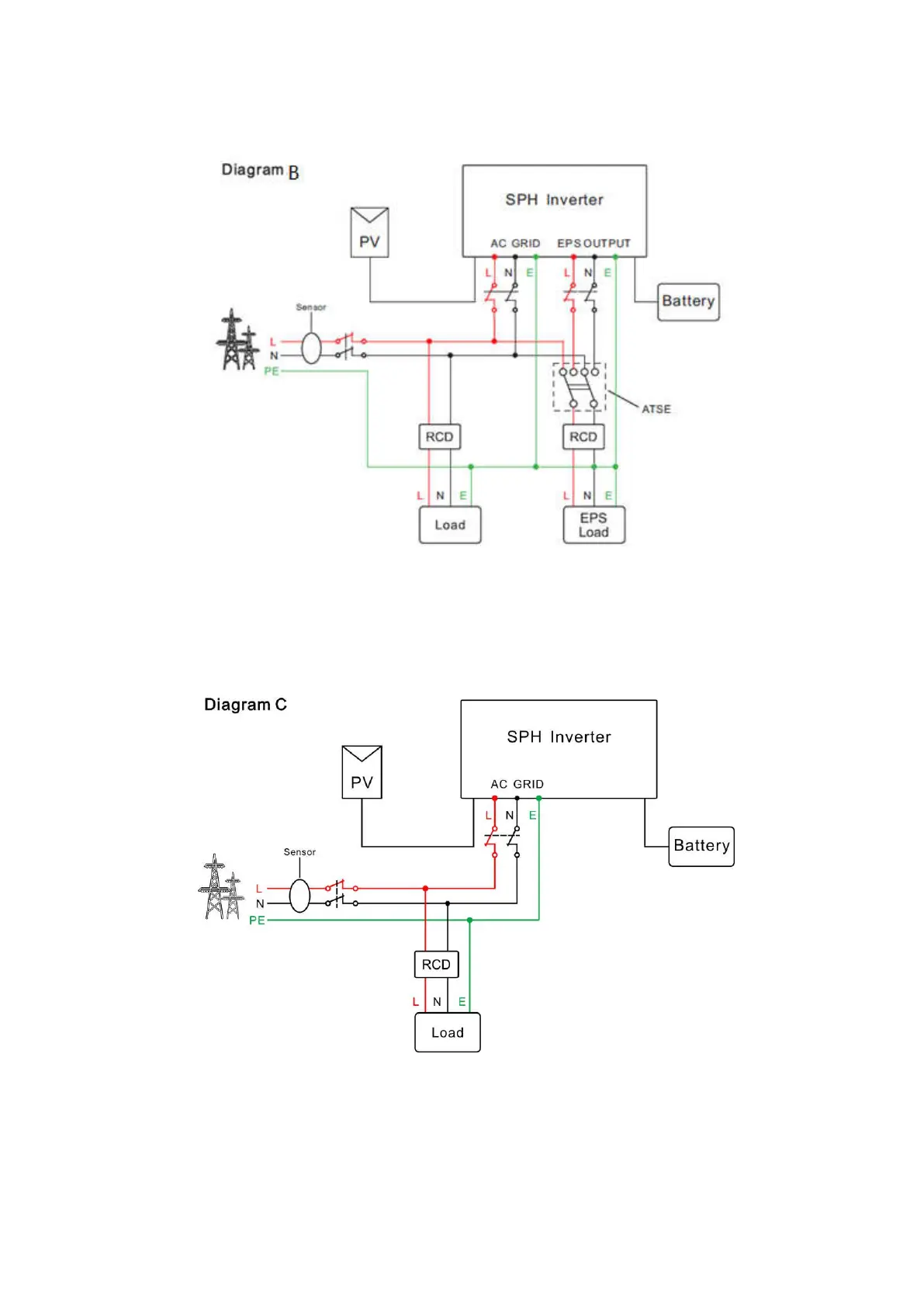
Chart 5.16
Note:
This diagram is an example for Australian and New Zealand gird system where neutral line can’t be
switched.
Chart 5.17 Growatt SPH3000-6000
Note:
This diagram is an example for customer who only wants to use the on grid storage system.

Related product manuals