EasyManua.ls Logo

Growatt SPH 6000 BL-UP - 2.2 Safety Measures

Growatt SPH 6000 BL-UP
66 pages
Print Icon
To Next Page IconTo Next Page
To Next Page IconTo Next Page
To Previous Page IconTo Previous Page
To Previous Page IconTo Previous Page
Loading...
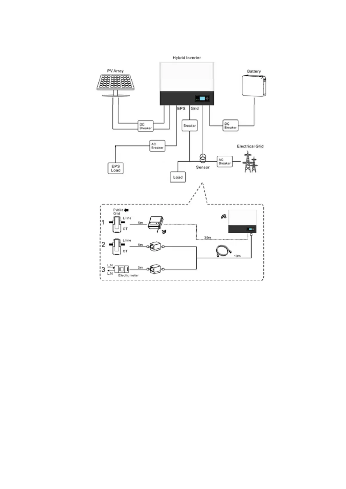
Chart 2.1
As shown above, a complete grid-connected system of SPH TL BL-UP consists of PV modules, SPH TL BL-UP
inverter, battery, utility grid and other components.
Attention:
As the system refer to battery use, we must make sure ventilation of the service environment and temperature
control in order to prevent the danger of battery explosion, battery recommended installation environment
must be strictly in accordance with the specification, if the specification is IP20 environment, the pollution
degree of the unit is PD2, meanwhile the temperature should be control in the 0-40 of indoor ventilation
and the humidity should be 5%-85%. If the chosen PV modules needs to positive or negative ground connection,
please contact with Growatt for technical support before installation.
2.2 Safety Measure

Related product manuals