EasyManua.ls Logo

Grundfos DDI 150-4

Grundfos DDI 150-4
632 pages
To Next Page IconTo Next Page
To Next Page IconTo Next Page
To Previous Page IconTo Previous Page
To Previous Page IconTo Previous Page
Loading...
中文 (CN)
604
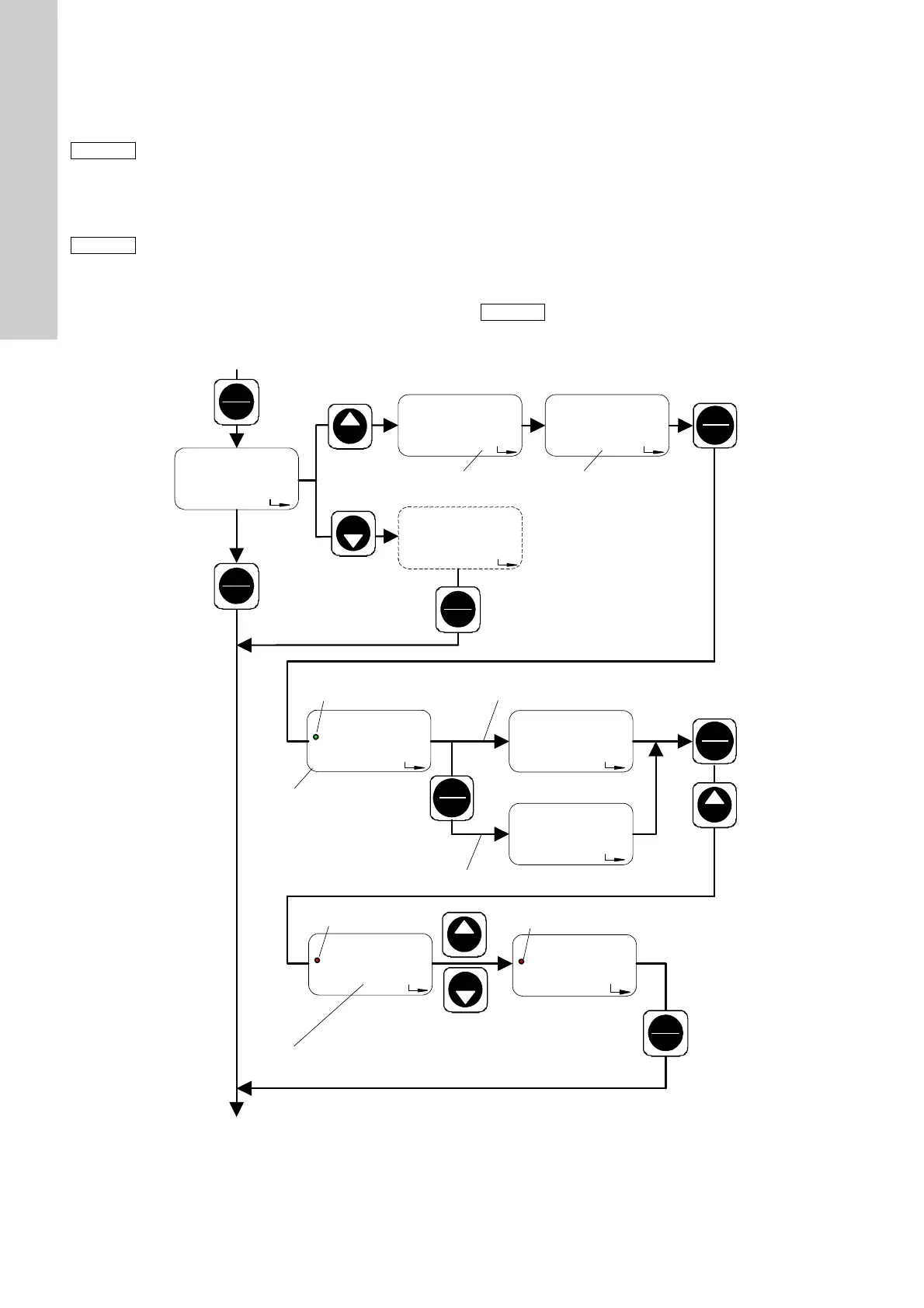
9.6 校准
显示的计量流量设置默认运行背压为3巴。 校准功能可用来将水泵
流量设定到实际运行条件下。
在正常运行条件下校准水泵,排出管路连接状态并处于运行背压
下。
"OFF CAL" 出现在显示单元。
1. 按"Up" (上)按钮。
"- - -" 和 "CAL" 出现在显示中(闪烁)。
2. 等候一直到 "ON" 和 "CAL" 出现在显示中(停止闪烁)。
"ON CAL" 出现在显示单元。
3. 按"Start/Stop" (启动/停机)按钮。
校准开始。 LED绿灯闪烁,显示单元中"Run" (运行) 灯闪烁。
默认执行200次冲程。 显示单元中出现已执行的冲程数目。
在任意冲程值时按"Start/Stop" (启动/停机)按钮停止水泵运行。
LED红灯亮。
4. 按"Start/Stop" (启动/停机)按钮。
当前的校准值被显示(使用替代线路板时此功能失效!)。
5. 用"Up" (上)和"Down" (下")按钮输入校准值
(以毫升测量容积)。
按"Menu/Info" (菜单/信息)按钮(确认设置并跳到下一菜单条目),
按"Start/Stop" (启动/停机)按钮(确认设置并关闭二级功能水平)。
图 30 校准
注意
带流量补偿功能 (见
4.4.4 流量补偿
):
在计量粘度不同于水的介质时,或是在软件升级后,
必须对水泵进行校准。 在软件升级后显示中 "cal"
(校准) 闪烁。
注意
在校准过程中,被计量的容积数必须以若干升来测量,
例如可以从一个标定水箱中吸取计量介质。
注意
校准程序不会改变流量的电流输入和输出赋值/加权设
置。
如果使用电流输入或输出,在校准完毕后检查是否需
要重新设置电流加权。
TM03 6678 4506
red LED
red LED
Down
Up
Stop
Start
Stop
Start
Stop
Start
OFF
Up
Down
CAL
- - -
CAL
Menu
Info
Menu
Info
Menu
Info
Menu
Info
OFF
CAL
99
Run
CAL
200
Stop
CAL
87
Stop CAL
1315
Stop
CAL
ml
1295
Stop
CAL
On
CAL
Up
闪烁
绿色LED闪烁 执行200个冲程
在用户自定冲程
数量时手动停机
出厂时的校准值- 从实际校准的冲程数目计算得出
输入实际确认的校准容积
闪烁
等候一直到 ON CAL 被显示
(停止闪烁)。
红色LED
红色LED

Table of Contents

Related product manuals