EasyManua.ls Logo

Grundig MCD 46 - Anschluss-Platte

Grundig MCD 46
16 pages
Print Icon
To Next Page IconTo Next Page
To Next Page IconTo Next Page
To Previous Page IconTo Previous Page
To Previous Page IconTo Previous Page
Loading...
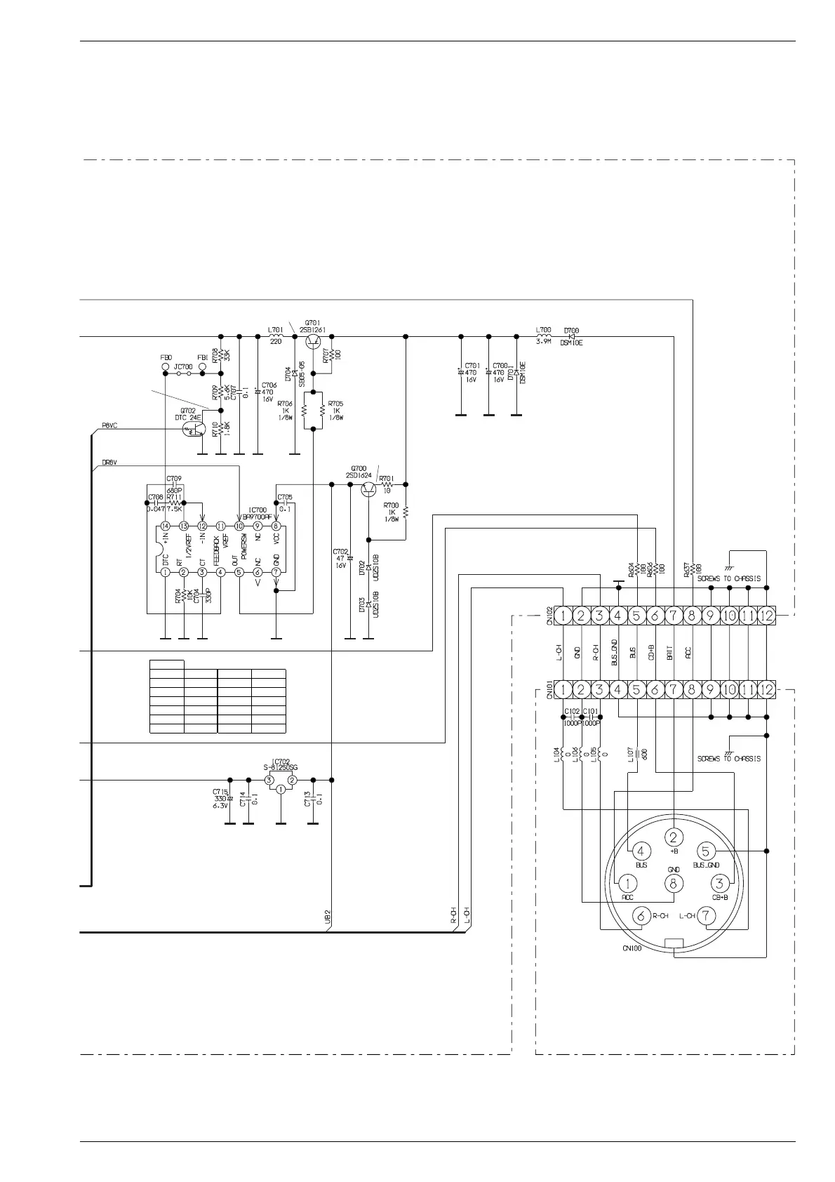
MCD 46 Schaltpläne und Druckplattenabbildungen / Circuit Diagrams and Layout of PCBs
GRUNDIG Service 2 - 7
Hauptplatte / Main Board
Anschluss-Platte / Connection Board
9.0V5.0V
11.3V
11.3V
10.8V
CD play: 5.0V
CD change: 0.0V
CD play: 0.0V
CD change: 0.3V
CD play: 10.0V
Radio: 11.3V
CD play: 9.4V
Radio: 11.3V
CD play: 9.0V
Radio: 0.0V
IC700
1 0V 8 9.2V
2 0.9V 9
3 1.8V 10 5V
4 1.2V 11
5 4V 12 1.3V
6 13 1.3V
7 0V 14 1.3V

Related product manuals