EasyManua.ls Logo

Grundig MCD 46 - Anschluss-Platte

Grundig MCD 46
16 pages
Print Icon
To Next Page IconTo Next Page
To Next Page IconTo Next Page
To Previous Page IconTo Previous Page
To Previous Page IconTo Previous Page
Loading...
Schaltpläne und Druckplattenabbildungen / Circuit Diagrams and Layout of PCBs MCD 46
GRUNDIG Service GRUNDIG Service
Schaltpläne und Druckplattenabbildungen / Circuit Diagrams and Layout of PCBs MCD 46
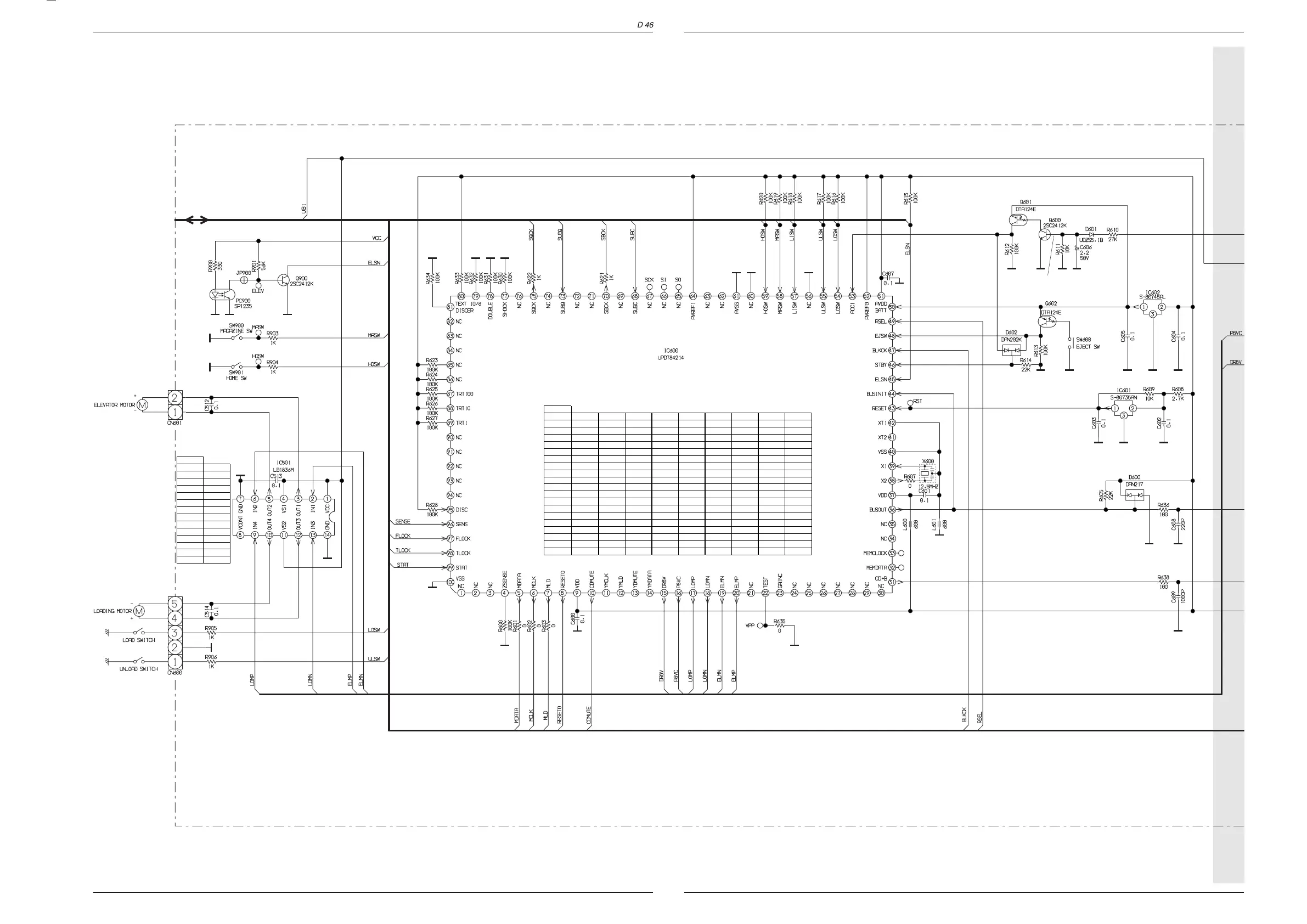
Schaltplan (Teil 2) / Circuit Diagram (Part 2)
Hauptplatte, Anschluss-Platte / Main Board, Connection Board
Hauptplatte / Main Board
5.0V
4.7V
5.0V5.0V
CD play: 4.7V
Radio: 5.0V
CD play: 0.6V
Radio: 0.0V
CD play: 4.7V
Radio: 0.0V
CD play: 0.0V
Radio: 5.0V
CD
CD ch
a
CD
CD ch
a
4.7V
Eject SW: 0.0V
4.7V
Eject SW: 0.0V
zu / von Teil 1
to / from part 1
IC501
19V
20V
30V
49V
50V
60V
70V
8
90V
10 0V
11 9V
12 0V
13 0V
14 0V
IC600
1 2141610V810V
2 220V420V62 82
3 23435V6383
4 0V 24 44 4.9V 64 5V 8 4
50V25450V65850V
6 5V 26 46 4.2V 66 86 0V
7 5V 27 47 4.9V 67 87 5V
8 5V28 480V680V885V
9 5V 29 49 4.8V 69 89 5V
10 0V 30 50 4.7V 70 0V 90
11 31 5V 51 5V 71 91
12 32 52 5V 72 92
13 33 53 4.7V 73 0.2V 9 3
14 34 54 0V 74 94
15 5V 35 55 5V 75 5V 95 5V
16 5V 36 4.9V 56 0V 76 96 0V
17 0V 37 5V 57 5V 77 0V 97 0V
18 0V 38 58 0V 78 0V 98 0V
19 0V 39 59 0V 79 0.0V/5.0
V
99 5V
20 0V 40 0V 60 0V 80 5V 100 0V
Seite / page
2 - 4
2 - 5 2 - 6

Related product manuals