EasyManua.ls Logo

Grundig MCD 46 - Page 9

Grundig MCD 46
16 pages
Print Icon
To Next Page IconTo Next Page
To Next Page IconTo Next Page
To Previous Page IconTo Previous Page
To Previous Page IconTo Previous Page
Loading...
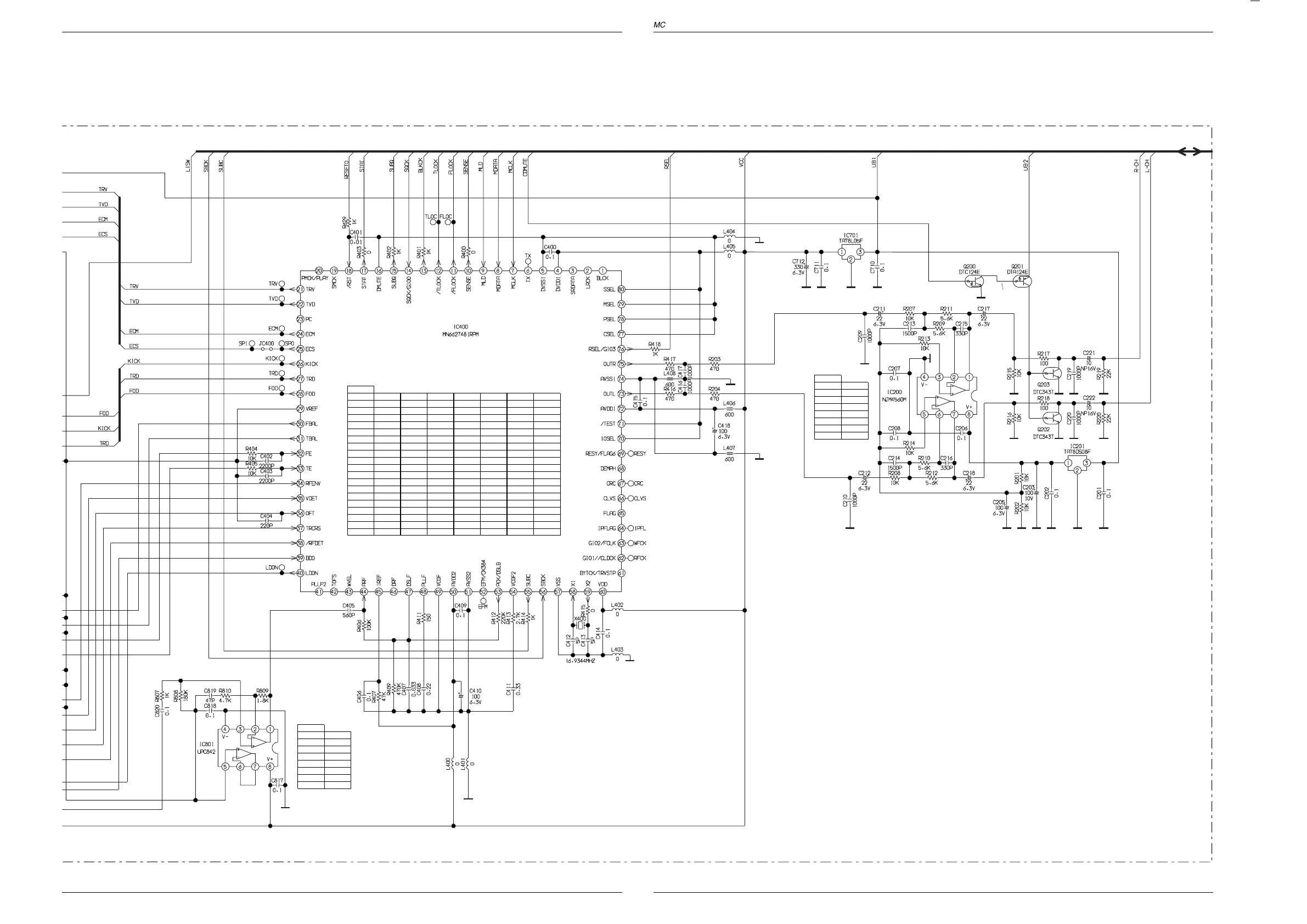
MCD 46 Schaltpläne und Druckplattenabbildungen / Circuit Diagrams and Layout of PCBs MCD 46 Schaltpläne und Druckplattenabbildungen / Circuit Diagrams and Layout of PCBs
GRUNDIG Service GRUNDIG Service
Hauptplatte / Main Board
9.0V
CD play: 0.0V
Radio: 9.2V
CD play: 5.0V
Radio: 0.0V
9.2V
CD play: 9.2V
Radio: 0.0V
5.0V
9.0V8.0V
zu / von Teil 2
to / from part 2
IC801
1 2.5V
2 2.5V
3 2.5V
40V
5 2.5V
6 2.5V
7 2.5V
85V
IC200
14V
24V
34V
40V
54V
64V
74V
88V
IC400
1 21 2.5V 41 61
2 22 2.5V 42 62
3 234363
4 5V 24 2.5V 44 2.5V 64
5 0V 25 2.5V 45 1.6V 65
6 26 2.5V 46 66
7 5V 27 2.5V 47 2.5V 67
8 0V 28 2.5V 48 1.4V 68
9 5V 29 2.5V 49 0V 69
10 0V 30 2.5V 5 0 5V 70 5V
11 0V 31 2.5V 5 1 0V 71 5V
12 0V 32 2.5V 5 2 72 5V
13 0V 33 2.5V 5 3 2.1V 7 3 2.5V
14 5V 34 2.5V 5 4 1.7V 7 4 0V
15 2.2V 35 0V 55 0V 75 2.5V
16 0V 36 0V 56 0.2V 76 4.8V
17 5V 37 2.8V 5 7 0V 77 0V
18 5V 38 0V 58 78 0V
19 39 0V 59 79 0V
20 40 5V 60 5V 80 5V
Seite / page
2 - 5
2 - 3 2 - 4

Related product manuals