EasyManua.ls Logo

Grundig MCD 46 - Main Board; Pick up Unit; Pick-Up-Einheit

Grundig MCD 46
16 pages
Print Icon
To Next Page IconTo Next Page
To Next Page IconTo Next Page
To Previous Page IconTo Previous Page
To Previous Page IconTo Previous Page
Loading...
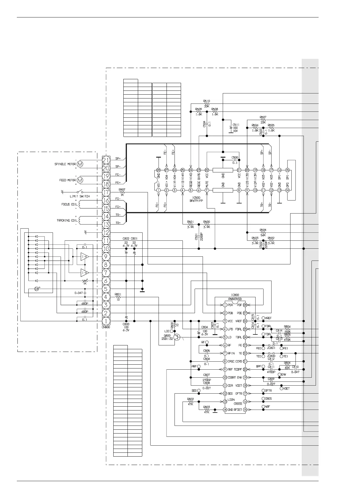
Schaltpläne und Druckplattenabbildungen / Circuit Diagrams and Layout of PCBs MCD 46
2 - 2 GRUNDIG Service
Hauptplatte / Main Board
Pick-Up-Einheit
Pick Up Unit
CD play: 2.2V
CD change: 1.2V
CD play: 4.0V
CD change: 4.7V
IC800
1 2.4V
2 2.4V
35V
4 0.2V
54V
6 2.5V
7 2.3V
8 3.6V
9 2.5V
10 4V
11 3.5V
12 0V
13 2.5V
14 0V
15 2.8V
16 0V
17 0V
18 2.5V
19 2.5V
20 2.5V
21 2.5V
22 2.5V
23 2.5V
24 2.5V
25 2.5V
26 2.5V
27 2.5V
28 2.5V
IC500
1 4.6V 15 2.5V
2 4.6V 16 2.5V
3 17 4.9V
4 2.5V 18 4.3V
519
6 20 2.5V
7 2.5V 21 9V
80229V
9 2.5V 23 2.5V
10 24 2.5V
11 4.6V 25
12 4.6V 26 4.6V
13 2.5V 27 4.6V
14 2.5V 28 0V
Schaltplan (Teil 1) / Circuit Diagram (Part 1)
Pick-Up-Einheit, Hauptplatte / Pick Up Unit, Main Board

Related product manuals