EasyManua.ls Logo

Hach CLF10sc - Page 101

Hach CLF10sc
132 pages
Print Icon
To Next Page IconTo Next Page
To Next Page IconTo Next Page
To Previous Page IconTo Previous Page
To Previous Page IconTo Previous Page
Loading...
すべての化学反応が完了していることを確認してください。
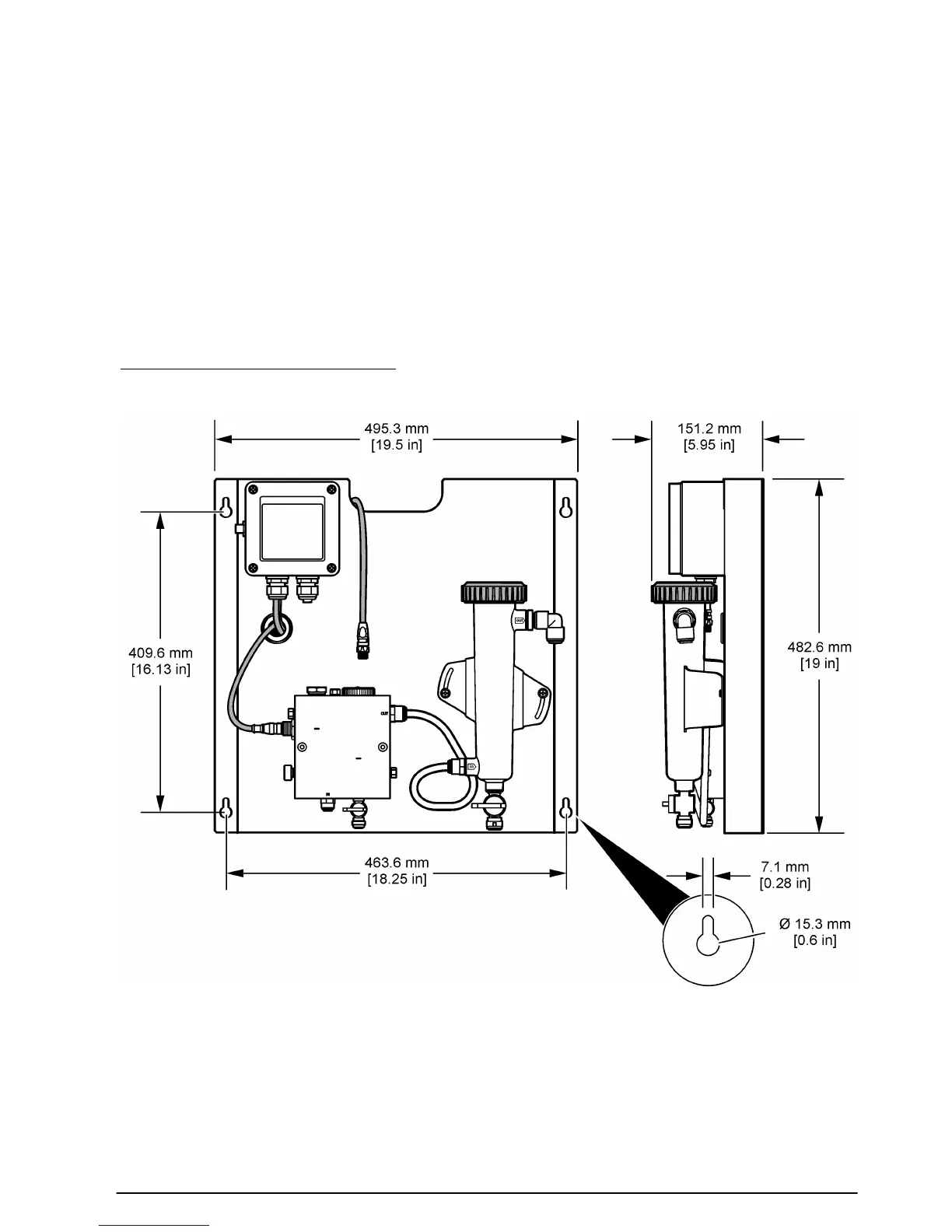
設置
パネルの取り付け
5 に、取り付け寸法を示します。この図を参照して、手順に従ってパネルを取り付けます。
1. 取り付け面に、取り付けねじを付けます。壁用スタッドに取り付けるか、壁用アンカーを使用し
てください。ねじの頭と取り付け面の間に、パネルを取り付けるのに十分な間隔が残るようにし
てください。
2. パネルの取り付け穴を取り付けねじに合わせ、ねじを穴に通し、各取り付け穴の上部がねじの軸
部に載るまで下にスライドさせます。
3. 各ねじを締めて、パネルを取り付け面に固定します。
4. 塩素センサと pH センサ (オプション) をフローセルに設置します。センサの設置方法について
は、センサの取扱説明書を参照してください。
5 無試薬塩素分析計パネルの寸法
日本語
101

Related product manuals